DAEWOO Car Radio Stereo Audio Wiring Diagram Autoradio connector wire installation schematic schema esquema de conexiones stecker konektor connecteur cable shema car stereo harness wire speaker pinout connectors power how to install

 
     

     
     
     

 

DAEWOO

Daewoo

1 -+12 VOLT IGNITION WIRE

11 - Speaker RF+

2 -GND

12 -Speaker RF-

3 -+12 VOLT BATTERY WIRE

13 -Speaker LF+

4 -Dash Light Dimmer Wire

14 -Speaker LF-

5 -Power Antenna Turn On

15 -Speaker LR+

6 -Speaker RR+

16 -Speaker LR-

7 -Speaker RR-

-

 

 

     
     
     

 

DAEWOO AKF-4087XC    AKF-9625

DAEWOO AKF-4087XC

1- Speaker RR (-)

8 - SpeakerRR SP (+)

2 - Speaker RL (-)

9 - Negative ground

3 - Auto anten

10 - Light lluminator

4 - Acc B (+) power

11 - Battery B+

5 - Speaker FR SP (+)

12 - Speaker FR SP (-)

6 - Speaker FL SP (+)

13 - Speaker FL SP (-)

7 -Speaker RL SP (+)

-

  
     
     
     

 

DAEWOO AKF- 43065

1-Front R-CH SP+

7 -Rear L-CH SP+

13 -No conection

2 -Rear R-CH SP+

8 -Front L-CH SP+

14 -Gnd

3 -ILLumination

9 -Front R-CH SP-

15 -No conection

4 -ACC B+

10 -Rear R -CH SP-

16 -No conection

5 -Back-UP B+

11 -ILLumination

17 -Rear L-CH SP-

6 -No conection

12 -Auto Ant B+

18 -Front L-CH SP-

 

 

 

DAEWOO AKF- 8846   AKF- 8847

DAEWOO AKF-8846, AKF-8847

1 -Speaker RF+

7 -Speaker LR+

12 -+12 VOLT IGNITION WIRE ANTENN

2 -Speaker RR+

8 -Speaker LF+

14 -GND NEGATIVE

3 -ILL DIMM(B+)

9 -Speaker RF-

17 -Speaker LR-

4 -ACC B+

10 -Speaker RR-

18 -Speaker LF-

5 -BACK UP B+

11 -LL KONTROL V

-

 

 

 

DAEWOO AKF-9255V

Daewoo AKF-9255V

1 -Speaker RF+

9 -GND Line out

2 -Speaker RF-

10 -Speaker LF+

3 -Speaker RR+

11 -Speaker LF-

4 -Speaker RR-

12 -Speaker LR+

5 -GND

13 -Speaker LR-

6 -GND

14 -+12 VOLT IGNITION WIRE

7 -+12 VOLT BATTERY WIRE

15 -+12 VOLT IGNITION WIRE

8 -Line out R

16 -Power Antenna Turn On

 

 

 

DAEWOO AKF-9255XV

1 -Speaker RF+  

 

7- +12 Volt Ignition Wire                

 

19 -Speaker LF- 

 Ч

2 -Speaker RF-   

 Ч

14 -                     

 

20 -Speaker LF+

 

3 -Speaker RR+  

 

15 -питание antenna.   

 

-

-

4 -Speaker RR-  

 Ч

17 -Speaker LR-  

 Ч

-

-

6 -gnd                 

 

18 -Speaker LR+  

 

-

-

 

 

 

DAEWOO AKF-9345

A

B

C

4-Питание B+

1-Speaker RR+

5-Лин

5-Antennaенна В+

2-Speaker RR-

6-Лин

7-U+ ACC

3-Speaker RL+

8-GND

8-GND

4-Speaker RL-

10-Amplifier

-

5-Speaker FL+

-

-

6-Speaker FL-

-

-

7-Speaker FR+

-

-

8-Speaker FR-

-

 

 

 

DAEWOO AKF-9625WY-RE

 

 

 Daewoo AGC-7112RC

 

 

DAEWOO AKF-8017X AKF-0305RC

 

 

DAEWOO PX2640AG 96192335U00

 

 

Daewoo AGC-6100

 

 

DAEWOO AKF-8055x

 

 

DAEWOO AKL-1626JS

 

 

DAEWOO AKL-1676TS

 

 

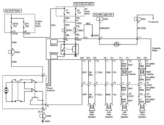
Daewoo Leganza Audio System Stereo Wiring Diagram

 

 

Car radio

Model autoradio

Manufacturer

MCU

EEPROM

IC Amplifier

CD changer

 Car

DAEWOO

AKB-0516AC-A

DAEWOO

AKF 0816 UP2

24LC02 smd

 

 

 

DAEWOO

AKD-0636VS  MC+CD

DAEWOO

 

 

 

 

 

DAEWOO

AKD-4346EG

DAEWOO

C63511Y  AKF4316-S

24LC02

 

 

 

DAEWOO

AKD-4346EY

DAEWOO

C63514Y  AKF4316-2

24LC02

 

 

 

DAEWOO

AKD-4346 MC+CD

DAEWOO

 

 

 

 

 

DAEWOO

AKD-4401W

DAEWOO

CXP5048H240

CXK1023M

 

 

 

DAEWOO

AKF-0306RE

DAEWOO

LC72362

24LC16 smd

HA13158

 

 

DAEWOO

AKF-0315RC

DAEWOO

 

24LC16 smd

 

 

 

DAEWOO

AKF 0816EG

DAEWOO

C63513Y AKF0816-1

 

 

 

 

DAEWOO

AKF-0816EY

DAEWOO

C63516Y  AKF0816-2

24C02

 

 

 

DAEWOO

AKF-0827RR

DAEWOO

LC72366-9553  9DA0

24LC16

 

 

 

DAEWOO

AKF-4085

DAEWOO

 

 

 

 

 

DAEWOO

AKF-4306EG

DAEWOO

D17012GF-E13  DMC-T-MASTER

 

TDA8560Q

 

 

DAEWOO

AKF-4331

DAEWOO

D17012GFE13

 

TDA8560Q

 

 

DAEWOO

AKF-4336EG

DAEWOO

D1712GF-E31

 

TDA1519Q

 

 

DAEWOO

AKF-4637

DAEWOO

 

 

 

 

 

DAEWOO

AKF-5073WKG

DAEWOO

 

 

 

 

 

DAEWOO

AKF-8817R

DAEWOO

D17006GF 664

24LC01

 

 

 

DAEWOO

AKF-9395

DAEWOO

D17005GF 667

 

 

 

 

DAEWOO

AKF-9445R

DAEWOO

D17006AGF E25

24C01

TDA7394

 

 

DAEWOO

AKF-9625 WG-RE  TANK

DAEWOO

D1723GF 720

 

TDA8560Q

 

 

DAEWOO

AKF-9635

DAEWOO

 

 

 

 

 

DAEWOO

AKF-9637WG

DAEWOO

D1723GF

 

 

 

 

DAEWOO

CM-3919

ALPINE

51T25615W03

 

 

 

 

DAEWOO

KONDOR CD

DAEWOO

 

 

 

 

 

DAEWOO

KRD410

DAEWOO

D1723GF 613

 

 

 

 

DAEWOO

KRDS 240

DAEWOO

 

 

 

 

 

DAEWOO

RADIO 1 BP1040

BLAUPUNKT

 

 

 

 

 

DAEWOO

RADIO 2 BP1048

BLAUPUNKT

 

 

 

 

 

DAEWOO

RADIO 3 BP1043

BLAUPUNKT

 

 

 

 

 

 
 
DAEWOO AKB-0516AC-A DAEWOO AKF 0816 UP2 24LC02 smd  
DAEWOO AKD-0636VA  CC+CD DAEWOO LC723748-9918    
DAEWOO AKD-0636VS  CC+CD DAEWOO LC723748-9918    
DAEWOO AKD-4346AG-A DAEWOO AKF4342UP 24LC02  
DAEWOO AKD-4346EY DAEWOO AKF4316-2  (C63514Y) 24LC02  
DAEWOO AKD-4401W DAEWOO CXP5048H240 CXK1023M  
DAEWOO AKF-0305W DAEWOO LC72362-9433 24LC16 smd HA13158A
DAEWOO AKF-0306RE DAEWOO LC72362 24LC16 smd HA13158
DAEWOO AKF-0646LA DAEWOO LC723700    
DAEWOO AKF-0676JA DAEWOO LC723748   TDA8571J
DAEWOO AKF-0816AG-A DAEWOO AKF-0816UP2  C168-006  9943C C012 24LC16 HA13158A
DAEWOO AKF-0816EY DAEWOO AKF0816-2  (C63516Y) 24C02  
DAEWOO AKF-0816HG DAEWOO AKF0816-2  (C63516Y) 24C02  
DAEWOO AKF-0827RR DAEWOO LC72366-9553 24C16 TDA7386
DAEWOO AKF-4306EG DAEWOO D17012GFE13   TDA8560Q
DAEWOO AKF-4331 DAEWOO D17012GFE13   TDA8560Q
DAEWOO AKF-4336EG DAEWOO D17012GFE31   TDA1519Q
DAEWOO AKF-4015EW DAEWOO SD4002 B0452G   TDA1519CJ
DAEWOO AKF-4085 DAEWOO D17012GF555   TDA8560Q + TDA1519Q
DAEWOO AKF-4637 DAEWOO      
DAEWOO AKF-5073K  panel DAEWOO D17006AGFE25 24C01 smd TDA7394
DAEWOO AKF-5073WKG DAEWOO      
DAEWOO AKF-8817R DAEWOO D17006AGF664 24LC01 smd  
DAEWOO AKF-8846JSN DAEWOO DAEWOO 8846V1-607 (0143M3001)   HA13158A
DAEWOO AKF-9445R DAEWOO D17006AGFE25 24C01 TDA7394
DAEWOO AKF-9635 DAEWOO      
DAEWOO AKF-9637WG-RE DAEWOO D1723GF    
DAEWOO AKL-1626JS DAEWOO LC723748    
DAEWOO AKL-1676JS DAEWOO LC723748N 9C80   TDA8571J
DAEWOO AKL-1676TS DAEWOO LC723748 9B98   TDA8571J
DAEWOO AKR-1846US DAEWOO D17012GF621   TDA8571J
DAEWOO AKR-1846TS DAEWOO D17012GF621   TDA8571J
DAEWOO AKR-4625WG-E DAEWOO LC72P338 or LC72336 9C77 NO TDA8560Q
DAEWOO KONDOR CD DAEWOO      
DAEWOO KRD410 DAEWOO D1723GF613    
DAEWOO TANK AKF-9625WG-RE DAEWOO D1723GF720   TDA8560Q
DAEWOO TANK AKF-9625WY-RE DAEWOO DMC4001-002   TDA8560Q
DAEWOO AKF-9625W DAEWOO DMC4001-002   TDA8560Q
DAEWOO RADIO 1  BP1040 BLAUPUNKT ST7285 (8925905004) 24C16 smd + M92256 smd TDA7375A x 2
DAEWOO RADIO 2  BP1048 BLAUPUNKT ST7285 (8925905004) 24C16 smd + M92256 smd TDA7375A x 2
DAEWOO RADIO 3  BP1043 BLAUPUNKT ST7285 (8925905004) 24C16 smd + M92256 smd TDA7375A x 2
DAEWOO CM-3919 ALPINE 51T25615W03    
 
 

DAEWOO Car Radio Stereo Audio Wiring Diagram Autoradio connector wire installation schematic schema esquema de conexiones stecker konektor connecteur cable shema car stereo harness wire speaker pinout connectors power how to install.

DAEWOO Car radio wiring diagrams. car radio wire diagram stereo wiring diagram gm radio wiring diagram. Car stereo wiring diagrams car radio wiring car radio wiring colors car radio wire car radio connections wiring diagram car radio wire colours.

DAEWOO auto radio wiring diagrams install car radio. How to install car radio autoradio wiring harness stereo installation.  How to install car radio wires. Car radio install car wiring diagrams wiring harness pinout connector diagram. Car stereo radio wiring diagram. How to wire a car radio wiring diagram for car stereo. Car stereo wiring diagram radio installation head unit. Car radio wire colors car audio wiring free radio wiring diagrams. Radio diagram wiring car radio car radio wiring diagrams. Free car radio wires stock diagram. Car radio wiring colour codes car radio speakers.

 
     
Copyright © 2007 Tehnomagazin.com
Terms & Conditions                                        Privacy Policy                                                Impressum