JAGUAR Car Radio Stereo Audio Wiring Diagram Autoradio connector wire installation schematic schema esquema de conexiones stecker konektor connecteur cable shema car stereo harness wire speaker pinout connectors power how to install

 
     

     
     
     

 

VISTEON RXR8F-18K876-AGLGR
(JAGUAR 9000 PREMIUM SOUND)

 
     
     
     

Jaguar AJ 9150R

 

 

 
     
     
     

Jaguar Models XJ XJ6 XJR6 ( X300 ) stereo wiring

 

 

 

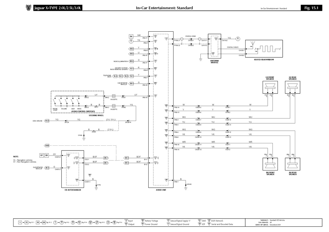
Jaguar X-Type ( X400 ) stereo wiring

 

Car radio

Model autoradio

Manufacturer

MCU

EEPROM

IC Amplifier

CD changer

 Car

JAGUAR

AJ 2000

ALPINE

 

 

 

 

 

JAGUAR

AJ 8700

 

 

 

 

 

 

JAGUAR

AJ 8710

ALPINE

 

 

 

 

 

JAGUAR

AJ 9100R

ALPINE

51T16599W02-619

 

2xTDA1552Q

 

 

JAGUAR

AJ 9150R

ALPINE

51T16599W02

 

 

 

 

JAGUAR

AJ 9200R

ALPINE

51T6599W04-740

 

 

 

 

JAGUAR

AJ 9500R

ALPINE

 

 

 

 

 

JAGUAR

AJ 9600R

ALPINE

 

X24C01

 

 

 

JAGUAR

AJ 9800R

ALPINE

 

X24C01

 

 

 

JAGUAR

DAC5574  PU-9252A

CLARION

051 0794 00  D1714G

 

 

 

 

JAGUAR

DBC6373

ALPINE

 

 

 

 

 

JAGUAR

F9000 PREMIUM  SOUND

VISTEON

TI 16bit          

77002

 

 

 

JAGUAR

FD 9000XM  EUROPE AUDIOPHILE       

FORD

 

77002

 

 

 

JAGUAR

FD 9000XM  EUROPE PREMIUM

FORD

TI 16bit           (N760105BFKC205)

77002

 

 

 

JAGUAR

PU-9359A

CLARION

 

 

 

 

 

JAGUAR

TA6 VAR

ALPINE

 

 

 

 

 

JAGUAR

 

VISTEON

2000  VISTEON   (N760130BFKC401)

 

 

 

 

 
 
JAGUAR TA6 VAR ALPINE      
JAGUAR PU-9252A CLARION Clarion 051-0794-00   D1714G   TA7251BP x 2
JAGUAR DBC6473 ALPINE      
JAGUAR PU-9359A CLARION     TA8201K x 4
JAGUAR AJ 2000W ALPINE 51T15710Y01 MB90573 252 + 51T33572Y01 568 24C04  
JAGUAR AJ 8700 ALPINE 51T73216F04 551 or 51T73216A04   MB3730A x 4
JAGUAR AJ 8710 ALPINE      
JAGUAR          
JAGUAR          
JAGUAR   ALPINE MB90F574A 24C08 TDA7385
JAGUAR   ALPINE   24C08  
JAGUAR   ALPINE   24C08  
JAGUAR   ALPINE MB90F574A 24C08  
JAGUAR 9000 PREMIUM SOUND VISTEON HE760105BFKC203 + HC760101BFKC202 77002  
JAGUAR 9000 PREMIUM SOUND VISTEON      
JAGUAR 9000  EUROPE PREMIUM VISTEON N760130BFKC204 + N760129BFKC203 77002  
JAGUAR 9000  EUROPE PREMIUM VISTEON N760105BFKC205 77002  
JAGUAR 9000  EUROPE AUDIOPHILE VISTEON 760105BFKC205 + 760101BFKC203 77002 70039AB x 2
JAGUAR FD 9000XM  EUROPE PREMIUM VISTEON TI 16bit           (N760105BFKC205) 77002  
JAGUAR AJ 9100R ALPINE 51T16599W02-619   TDA1552Q x 2
JAGUAR AJ 9150R ALPINE 51T16599W02    
JAGUAR AJ 9200R ALPINE 51T16599W04740    
JAGUAR AJ 9500R ALPINE 51T65067W02 + 51T65068W01 X24C01 smd TA8221L x 2
JAGUAR AJ 9600R ALPINE   X24C01  
JAGUAR AJ 9800R ALPINE   X24C00  
JAGUAR DVD NAVI DRIVE DENSO      
 
 

JAGUAR Car Radio Stereo Audio Wiring Diagram Autoradio connector wire installation schematic schema esquema de conexiones stecker konektor connecteur cable shema car stereo harness wire speaker pinout connectors power how to install.

JAGUAR Car radio wiring diagrams. Car radio wire diagram stereo wiring diagram gm radio wiring diagram. Car stereo wiring diagrams car radio wiring car radio wiring colors car radio wire car radio connections wiring diagram car radio wire colours.

JAGUAR auto radio wiring diagrams install car radio. How to install car radio autoradio wiring harness stereo installation.  How to install car radio wires. Car radio install car wiring diagrams wiring harness pinout connector diagram. Car stereo radio wiring diagram. How to wire a car radio wiring diagram for car stereo. Car stereo wiring diagram radio installation head unit. Car radio wire colors car audio wiring free radio wiring diagrams. Radio diagram wiring car radio car radio wiring diagrams. Free car radio wires stock diagram. Car radio wiring colour codes car radio speakers.

 
     
Copyright © 2007 Tehnomagazin.com
Terms & Conditions                                        Privacy Policy                                                Impressum