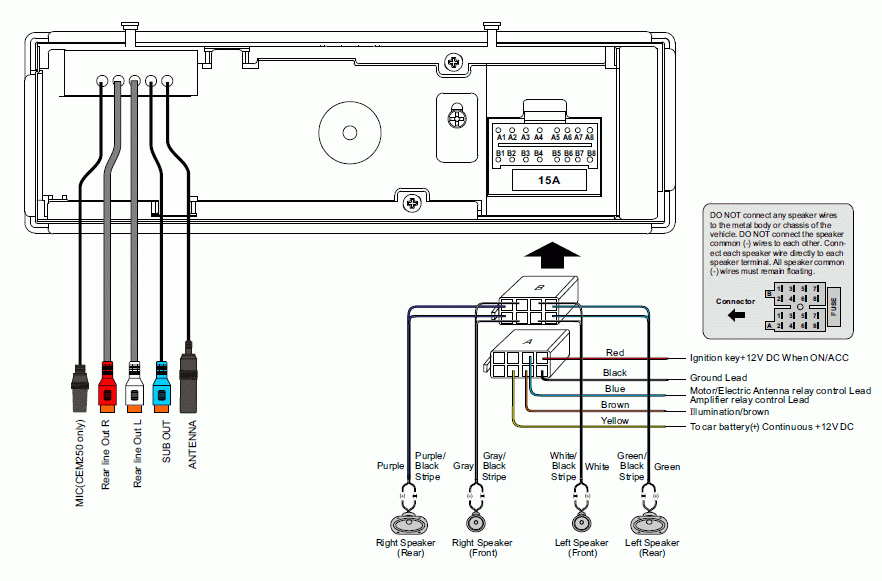
PHILIPS Car Radio Stereo Audio Wiring Diagram Autoradio connector wire installation schematic schema esquema de conexiones stecker konektor connecteur cable shema car stereo harness wire speaker pinout connectors power how to install

 
     

 

     
     
     

 

PHILIPS

PHILIPS SC201, CAR400, CCR600

 

 

PHILIPS SC201

A

B

C

4-+12 VOLT BATTERY WIRE 

1-Speaker RR+

1-SDA

5-Power Antenna Turn On

2-Speaker RR-

2-SCL

6-Dash Light Dimmer Wire

3-Speaker RF+

3-GND

7-+12 VOLT IGNITION WIRE

4-Speaker RF-

4MCS(MBR)

8-GND

5-Speaker LF+

-

-

6-Speaker LF-

-

-

7-Speaker LR+

-

-

8-Speaker LR-

-

     
     
     

 

PHILIPS CAR400

A

B

C

1-SDV

1-Speaker RR+

1-SDA

2-SAC

2-Speaker RR-

2-SCL

3-TEL MUTE

3-Speaker RF+

3-TIS

4-+12 VOLT BATTERY WIRE 

4-Speaker RF-

4-MRQ

5-Power Antenna Turn On

5-Speaker LF+

6-DDL

6-Dash Light Dimmer Wire

6-Speaker LF-

-

7-+12 VOLT IGNITION WIRE

7-Speaker LR+

-

8-GND

8-Speaker LR-

-

 

 

PHILIPS CCR600

A

B

C

1-SDV

1-Speaker RR+

1-SDA

2-SAC

2-Speaker RR-

2-SCL

3-TEL MUTE

3-Speaker RF+

3-TIS

4-+12 VOLT BATTERY WIRE 

4-Speaker RF-

4-MRQ

5-Power Antenna Turn On

5-Speaker LF+

5-CL

6-Dash Light Dimmer Wire

6-Speaker LF-

6-DDL

7-+12 VOLT IGNITION WIRE

7-Speaker LR+

7-CH

8-GND

8-Speaker LR-

8-IH

-

-

9-CDL

-

-

10-CDR

 

     
     
     

PHILIPS DC670

Philips DC670

1-GND

2-+12 VOLT IGNITION WIRE

3-Dash Light Dimmer Wire

4-Power Antenna Turn On

5-+12 VOLT BATTERY WIRE

6-  -----

7-  -----

 

 

PHILIPS

PHILIPS

A

B

C

1-TEL MUTE

1-Speaker RR+

1-Line out LR

2-REMOTE GND

2-Speaker RR-

2-Line out RR

3-REMOTE

3-Speaker RF+

3-GND Line out

4-+12 VOLT BATTERY WIRE

4-Speaker RF-

4-Line out LF

5-Power Antenna Turn On

5-Speaker LF+

5-Line out RF

6-Dash Light Dimmer Wire

6-Speaker LF-

13-D2B+

7-+12 VOLT IGNITION WIRE

7-Speaker LR+

14-D2B-

8-GND

8-Speaker LR-

15-GND

-

-

16-+12V PERMANENT

-

-

17-+12V SWITCH

-

-

18-AUDIO GND

-

-

19-AUDIO L

-

-

20-AUDIO R

 

 

 

Схематическое расположение разъёмов

A1

Phone mute

B1

Rear right +

C1

Line out LR

A4

Plus accessories or permanent

B2

Rear right -

C2

Line out RR

A5

+ Antenna

B3

Front right +

C3

Line out GND

A6

Pivot light

B4

Front right -

C4

Line out FL

A7

Plus permanent or accessories

B5

Front lrft +

C5

Line out FR

A8

GND

B6

Front left -

C6

+ Switched

-

-

B7

Rear left +

C13

Bus D2B +

G1

Gateway (I2C bus access)

B8

Rear left -

C14

Bus D2B -

G2

Gateway (I2C bus access)

-

-

C15

Bus GND

-

-

E

Aerial plug

C16

+ Permanent

-

-

-

-

C17

+ Swiched

-

-

F

Fuse

C18

Imput reference

-

-

-

-

C19

Imput left

-

-

-

-

C20

Imput right

Разъёмы питания и акустики.

 

 

 

PHILIPS 69DC902/00

 

 

PHILIPS 22DC 665/62R

   

 

 

PHILIPS SC-201

 

 

PHILIPS CAR400

 

 

PHILIPS CCR600

 

 

PHILIPS DC670

 

 

PHILIPS

     

 

 

Philips CEM250

 

 

 

PHILIPS 22RC224, 22RC228, 22RC238, 22RC248, 22RC258

 

 

 

 

Philips 22DC964-52R 22DC924-02R

 

 

 

Philips 22dc279-62 wiring connector Renault Dacia

 

Car radio

Model autoradio

Manufacturer

MCU

EEPROM

IC Amplifier

CD changer

 Car

PHILIPS   

22 DC075/75   CD changer   CDC3

PHILIPS   

SAK-C161CI-8EM

24LC64

 

 

 

PHILIPS

22 DC229

PHILIPS

PN-R3V1.01  93CW44DF-1803

24C32

 

 

RENAULT

PHILIPS

22 DC239/62P

PHILIPS

 

24C32

 

 

 

PHILIPS

22 DC247                    bez displeja

PHILIPS

47C1220F

24C08

 

 

 

PHILIPS

22 DC247/78F             bez displeja

PHILIPS

47C1220F-N657

24C08

 

 

 

PHILIPS

22 DC252

PHILIPS

 

 

 

 

 

PHILIPS

22 DC259/62P

PHILIPS

PN-R1-V1.13  93CW44DF-1A10

24C32

 

 

RENAULT SCENIC

PHILIPS

22 DC279/62F CD withot display

PHILIPS

 

24C32

 

 

 

PHILIPS

22 DC283

PHILIPS

 

 

 

 

 

PHILIPS

22 DC347/78                    bez displeja

PHILIPS

47C1220F-N627

24W08

 

 

 

PHILIPS

22 DC349/61

PHILIPS

 

24W04

 

 

 

PHILIPS

22 DC379/62B

PHILIPS

 

24C04

 

 

 

PHILIPS

22 DC393

PHILIPS

TC9309F-091

TC89122           Uwire

 

 

OPEL

PHILIPS

22 DC396/75 GM0400

PHILIPS

P83CE559EFB 010 or 030

24C16

 

 

OPEL

PHILIPS

22 DC399/75 GM0400

PHILIPS

P83CE560EFB043

24C16 smd

 

 

 

PHILIPS

22 DC401

PHILIPS

DC401 (D17P23GF)

24C02

 

 

OPEL

PHILIPS

22 DC403/75

PHILIPS

 

24C16

TDA2005

 

 

PHILIPS

22 DC405/00

PHILIPS

DC401  D1723 612

X24C02

TDA2005

 

 

PHILIPS

22 DC405/02

PHILIPS

DC401  D1723 612

X24C02

TDA2005

 

 

PHILIPS

22 DC405/32

PHILIPS

DC401  D1723 612

24C02

TDA2005

 

 

PHILIPS

22 DC405/52

PHILIPS

DC401  D1723 612

24C02

 

 

 

PHILIPS

22 DC406/75

PHILIPS

 

24C16

 

 

 

PHILIPS

22 DC411

PHILIPS

DC401  D1723 612

X2402

 

 

 

PHILIPS

22 DC415/02R

PHILIPS

DC401  D1723 612

X24C02

 

 

 

PHILIPS

22 DC415/52

PHILIPS

DC401  D1723 612

X24C02

 

 

 

PHILIPS

22 DC415/94F Singapure/-WESER

PHILIPS

 

 

 

 

 

PHILIPS

22 DC448/50

PHILIPS

 

 

 

 

RENAULT , FIAT

PHILIPS

22 DC449/64L  PHF011W

PHILIPS

TMP87CM21F-2212

ST24W166

 

 

 

PHILIPS

22 DC451

PHILIPS

 

24C16

 

 

RENAULT

PHILIPS

22 DC459/62E

PHILIPS

DC459/62L  VER15

 

 

 

RENAULT MEGANE

PHILIPS

22 DC461

PHILIPS

DC459/62C V2.0

 

 

 

 

PHILIPS

22 DC481

PHILIPS

 

24C16

 

 

 

PHILIPS

22 DC501/00

PHILIPS

D1723GF 620

24C02

 

 

 

PHILIPS

22 DC505/02

PHILIPS

D1723GF 644

24C02

 

 

 

PHILIPS

22 DC506/02

PHILIPS

D1723GF-691 506 RC1

24C02

 

 

 

PHILIPS

22 DC511/00

PHILIPS

D1723GF 620

24C02

 

 

 

PHILIPS

22 DC511/02

PHILIPS

 

 

 

 

 

PHILIPS

22 DC512

PHILIPS

P83CE558EFB013

24C16

 

 

 

PHILIPS

22 DC515/02

PHILIPS

D17P23GF 920

ST24C02

 

 

 

PHILIPS

22 DC537

PHILIPS

P83CE558EFB013

24W16

 

 

AUDI

PHILIPS

22 DC549/65E

PHILIPS

 

24C16

 

 

AUDI

PHILIPS

22 DC558/71

PHILIPS

P83CE558

CAT24C16

 

 

 

PHILIPS

22 DC562

PHILIPS

 

 

2xTDA1518AQ

 

 

PHILIPS

22 DC570/?

PHILIPS

TMP47C800N 2373

X2402

2xTDA1518AQ

 

 

PHILIPS

22 DC570/60F

PHILIPS

47C421AF8544

X2402

 

 

 

PHILIPS

22 DC575/02

PHILIPS

47C421AF8527

X2402

 

 

 

PHILIPS

22 DC575/52DR

PHILIPS

47C421AF8544

24C02

TDA1516BQ

 

RENAULT

PHILIPS

22 DC577/62B

PHILIPS

D1723GF 682   577 RC4

ST4C016 smd

 

 

 

PHILIPS

22 DC579/62

PHILIPS

47C421AF8527

X2402

 

 

 

PHILIPS

22 DC593/62

PHILIPS

P83CE558EFB119

24C16

 

 

 

PHILIPS

22 DC594/62 bez displeja

PHILIPS

P83CE558EFB119

24W166

 

 

BMW

PHILIPS

22 DC595/23F

PHILIPS

P83CE560EFB041

24C166 smd

 

 

 

PHILIPS

22 DC605

PHILIPS

 

 

 

 

 

PHILIPS

22 DC607

PHILIPS

 

24C04

 

 

 

PHILIPS

22 DC652

PHILIPS

 

24C02

 

 

 

PHILIPS

22 DC656/52B

PHILIPS

 

24C02

 

 

 

PHILIPS

22 DC661/72S

PHILIPS

 

24C02

 

 

 

PHILIPS

22 DC665/62S

PHILIPS

D1714G 660

24C02

2xTDA1518AQ

 

 

PHILIPS

22 DC670/60F GM1670

PHILIPS

47C421AF8537  T670RC1

24C02

 

 

 

PHILIPS

22 DC671

PHILIPS

 

 

 

 

 

PHILIPS

22 DC675/02

PHILIPS

47C421AF8527

 

 

 

 

PHILIPS

22 DC675/52

PHILIPS

47C421AF8544

X2402

2xTDA1516Q

 

 

PHILIPS

22 DC677/62F

PHILIPS

TMP47C800N

X24C02

 

 

 

PHILIPS

22 DC679/62

PHILIPS

47C800-P437

ST24C02AB6

 

 

 

PHILIPS

22 DC680/50

PHILIPS

T47C421AF8544

X2402

2xTDA1516Q

 

 

PHILIPS

22 DC681/00R

PHILIPS

TMP47P800N-2373

X2402

2xTDA1516Q

 

 

PHILIPS

22 DC681/02

PHILIPS

TMP47P800N-2373

X2402

2xTDA1516Q

 

 

PHILIPS

22 DC681/685

PHILIPS

TMP47P800N-2389

X2402

 

 

 

PHILIPS

22 DC682/30

PHILIPS

TMP47P800N

24C02

 

 

 

PHILIPS

22 DC682/82R RDS

PHILIPS

TMP47P800N

24C04

 

 

 

PHILIPS

22 DC683

PHILIPS

 

 

 

 

 

PHILIPS

22 DC684/52

PHILIPS

47C421AF8544

24C02

 

 

 

PHILIPS

22 DC684/78S

PHILIPS

47C421AF8544

24C02

 

 

 

PHILIPS

22 DC684/82

PHILIPS

 

 

 

 

 

PHILIPS

22 DC685/02R

PHILIPS

TMP47C800N-2373

X24C02

 

 

 

PHILIPS

22 DC695/32

PHILIPS

TMP47C800N-2344

X24C02

 

 

 

PHILIPS

22 DC701/? RDS

PHILIPS

P83C528 EFB 014    DC711 RC2

X24C16

 

 

 

PHILIPS

22 DC701/00

PHILIPS

P83C528 FFP 053

X24C16

 

 

 

PHILIPS

22 DC701/00R

PHILIPS

 

X24C16

 

 

 

PHILIPS

22 DC710/64S

PHILIPS

 

24C08

 

 

 

PHILIPS

22 DC711 RDS France

PHILIPS

P83C528 FFB 014

X24C08

 

 

 

PHILIPS

22 DC711/00B  RDS

PHILIPS

P87C528 EEPN

X24C16

2xTDA1516Q

 

 

PHILIPS

22 DC720

PHILIPS

TMP47P800N 2739

X24C16

 

 

PEUGEOT

PHILIPS

22 DC722/65 bez displeja

PHILIPS

P83CE558EFB 047

24C16

 

 

PEUGEOT

PHILIPS

22 DC722/65 bez displeja

PHILIPS

P83CE558EFB 112

24C16

 

 

 

PHILIPS

22 DC730/00

PHILIPS

TMP47C800

24C04 + 24C08

 

 

 

PHILIPS

22 DC731/00

PHILIPS

 

 

 

 

 

PHILIPS

22 DC731/80

PHILIPS

 

 

 

 

 

PHILIPS

22 DC740/30R

PHILIPS

TMP47P800, P83C654EFP503 RC1 V19

24C04 + 24C08

 

 

 

PHILIPS

22 DC741/00

PHILIPS

 

24C08

 

 

 

PHILIPS

22 DC751/00

PHILIPS

 

 

 

 

 

PHILIPS

22 DC752

PHILIPS

 

ER1400

TDA1515A

 

 

PHILIPS

22 DC755/02 GERMANY

PHILIPS

47C420AF8551

ER1400

 

 

 

PHILIPS

22 DC759

PHILIPS

 

 

 

 

 

PHILIPS

22 DC760

PHILIPS

 

 

 

 

 

PHILIPS

22 DC764/02R

PHILIPS

TMP47C800N-2341

24C04

 

 

 

PHILIPS

22 DC774/02R

PHILIPS

TMP47C800N-2384

X24C04

 

 

 

PHILIPS

22 DC777/32

PHILIPS

TMP47C800N-2294

X2404

 

 

 

PHILIPS

22 DC785/33B

PHILIPS

P83CE558EFB006

24C16

 

 

 

PHILIPS

22 DC786/23

PHILIPS

 

 

 

 

 

PHILIPS

22 DC794

PHILIPS

TMP47C800N

X2404

 

 

 

PHILIPS

22 DC795/23B

PHILIPS

 

 

 

 

 

PHILIPS

22 DC801

PHILIPS

 

 

 

 

 

PHILIPS

22 DC822/00

PHILIPS

P83CE558EFB 067

 

 

 

 

PHILIPS

22 DC842/02

PHILIPS

 

 

 

 

 

PHILIPS

22 DC846/02

PHILIPS

 

ER1400

 

 

 

PHILIPS

22 DC846/52

PHILIPS

 

ER1400

 

 

OPEL

PHILIPS

22 DC846/78

PHILIPS

TMP47C420AF 8551

ER1400

2xTDA1515A

 

 

PHILIPS

22 DC854/02

PHILIPS

TMP47C420AF 8556

ER1400

 

 

 

PHILIPS

22 DC856/02

PHILIPS

 

ER1400

 

 

 

PHILIPS

22 DC862

PHILIPS

 

ER1400

NEMA

 

 

PHILIPS

22 DC864/52

PHILIPS

 

ER1400

 

 

 

PHILIPS

22 DC882/62

PHILIPS

TMP47C800N - 2358

X2402

 

 

 

PHILIPS

22 DC924/02R Tuner+CD

PHILIPS

 

24C02 + 24C02

 

 

 

PHILIPS

22 DC954/06

PHILIPS

TMP47C420AF

ER1400

 

 

 

PHILIPS

22 DC954/82

PHILIPS

TMP47C420AF 8459

ER1400

 

 

 

PHILIPS

22 DC962/62B

PHILIPS

PCF80C51BH-3 J306

24C08 + 24C04 + 24C04

 

 

 

PHILIPS

22 DC964/02R Tuner+CD

PHILIPS

PCF80C51BH-3 J073

24C16 + 24C04

TDA7374

 

 

PHILIPS

22 DC964/52R Tuner+CD

PHILIPS

TMP47P800N-2szt.

X24C16 + 24C04

 

 

 

PHILIPS

22 DC972

PHILIPS

 

 

2xTDA7374

 

 

PHILIPS

22 DC982/62      CC+CD

PHILIPS

TMP47P800 -2szt.

24C04 + 24C04 + 24C08

 

 

 

PHILIPS

22 DC983/02

PHILIPS

TMP47P800 -2szt.

X2404

 

 

 

PHILIPS

22 DC984/82

PHILIPS

 

 

 

 

CITROEN  SAXO

PHILIPS

22 RC200/35

PHILIPS

93CU44DF-1A50  RC200/35

24C32

 

 

 

PHILIPS

22 RC200/65

PHILIPS

93CU44DF-1A50  RC200/35-V110  

24C32

 

 

 

PHILIPS

22 RC219

PHILIPS

 

24W16

 

 

RENAULT 607

PHILIPS

22 RC220

PHILIPS

 

24C32

 

 

 

PHILIPS

22 RC228/80

PHILIPS

 

24W08

 

 

 

PHILIPS

22 RC229  BQRIII panel

PHILIPS

87CM21F-2173

24W116

 

 

 

PHILIPS

22 RC248  BQR

PHILIPS

47C820DF-N972

24C02

 

 

 

PHILIPS

22 RC268

PHILIPS

P83CE528EFB DC513 R20

24W08

 

 

 

PHILIPS

22 RC329/62  BQRIII

PHILIPS

TMP87PP21F

24W116

 

 

 

PHILIPS

22 RC329/80

PHILIPS

 

 

 

 

 

PHILIPS

22 RC408

PHILIPS

47C1620FK742

 

 

 

CITROEN , FIAT

PHILIPS

22 RC465/35S

PHILIPS

P83CE560EFB008

24E16

 

 

CITROEN , FIAT

PHILIPS

22 RC465/65

PHILIPS

P83CE560EFB033

24E16

 

 

 

PHILIPS

22 RC468

PHILIPS

 

24C16 ?

 

 

 

PHILIPS

22 RC578/00

PHILIPS

 

24E32

 

 

 

PHILIPS

22 RC619/80 datachable panel

PHILIPS

 

 

 

 

 

PHILIPS

22 RC660/00

PHILIPS

87CM21F-1E34  P98FD-CD-R1.0

24C16

 

 

 

PHILIPS

69 DC383

PHILIPS

TC9309F-091

TC89122

 

 

 

PHILIPS

69 DC980/02

PHILIPS

 

 

 

 

 

PHILIPS

79 DC283/10B

PHILIPS

TC9309F-091

TC89121

 

 

 

PHILIPS

79 DC383/10B

PHILIPS

 

 

 

 

 

PHILIPS

79 RC168/12R

PHILIPS

 

 

 

 

 

PHILIPS

79 RC168/80

PHILIPS

47C820DF-NE21

ST24W04

 

 

 

PHILIPS

79 RC169/80

PHILIPS

47C820DF-NC77

24W02

 

 

 

PHILIPS

79 RC169/80

PHILIPS

47C820DF-NE04

24C02

 

 

 

PHILIPS

79 RC188

PHILIPS

47C820DF-NE21

24C02

 

 

 

PHILIPS

90 DC401/00

PHILIPS

 

 

 

 

 

PHILIPS

90 DC405/02

PHILIPS

DC401 1723-612

24C02

 

 

 

PHILIPS

90 DC411/00R

PHILIPS

DC401 1723-612

X24C02

 

 

 

PHILIPS

90 DC411/80

PHILIPS

D1723GF-704

24C02

 

 

 

PHILIPS

90 DC415/82

PHILIPS

DC401 1723-612

24C02

 

 

 

PHILIPS

90 DC517/78  without display

PHILIPS

P83CE558D1094L8VD

24C16

 

 

 

PHILIPS

90 DC532

PHILIPS

P89CE558EFB

24C16

 

 

 

PHILIPS

90 DC532

PHILIPS

P83CE558EFB 013

24C16

 

 

 

PHILIPS

90 DC777/32

PHILIPS

TMP47C800N-2337

24C04

 

 

 

PHILIPS

90 DC932/00

PHILIPS

 

24C16

TDA7375

 

 

PHILIPS

90 RC388/00

PHILIPS

P83CE559EFB 022

24W16

 

 

 

PHILIPS

90 RC408/00

PHILIPS

 

24W04

 

 

 

PHILIPS

90 RC408/12  SQRIII panel

PHILIPS

47C1620FK742

24W04

 

 

 

PHILIPS

90 RC438/12

PHILIPS

47C1620FK742

24W04

 

 

 

PHILIPS

ARC 549

PHILIPS

87CM21F-1C10

24C16

 

 

 

PHILIPS

ARC 399

PHILIPS

87CM21F-1C09

24C16

 

 

 

PHILIPS

CAR2004 2DIN

PHILIPS

P83CE560EFB050

24C16

 

 

 

PHILIPS

CART2007

PHILIPS

SAF

28C64

 

 

 

PHILIPS

CCR2006  2DIN   2kody   22 DC405+22 DC075   

PHILIPS

P87C560EFB/01

24C16+24C64

 

 

 

PHILIPS

CCR600 MK1 GM0600

PHILIPS

P83CE560EFB

24C16

 

 

 

PHILIPS

CCR600 MK1 GM0600

PHILIPS

P83CE560EFB

24C16

 

 

 

PHILIPS

CCR600 MK2 GM0600

PHILIPS

P83CE560EFB

24C16

 

 

 

PHILIPS

CCR800 BOSE

PHILIPS

P83CE560EFB019

24C16

 

 

 

PHILIPS

CCRT2008        GM0208

PHILIPS

 

28C64  PLCC

 

 

 

PHILIPS

CCRT2008 + GSM

PHILIPS

 

28C64

 

 

 

PHILIPS

CCRT700 + GSM  GM0700

PHILIPS

SAF-C167CR-LM  +M27C4002

28C64

 

 

 

PHILIPS

CD910

PHILIPS

 

 

 

 

 

PHILIPS

DONAU MKIV

PHILIPS

 

24C01

 

 

 

PHILIPS

RC609

PHILIPS

 

 

 

 

 

PHILIPS

RHEIN MKIII

PHILIPS

47P800N

X24C16

 

 

 

PHILIPS

S200 DN460/75

PHILIPS

D1723GF 656

24C02

2xTDA1519AQ

 

 

PHILIPS

SC201(C)  without display

PHILIPS

D17P19G

24C02

2xTDA1519AQ

 

 

PHILIPS

SC201D(C)

PHILIPS

D17P19G 657

24C02

 

 

 

PHILIPS

SC804(C)     22 DC891/75F  GM0804

PHILIPS

P83CE558EFB009

24C16

 

 

 

PHILIPS

SC804D(C)    GM1804

PHILIPS

PCF80C51BH-3PJ306(80C51)

24C04 or 24C16

 

 

 

PHILIPS

SC804D(C)    GM0804

PHILIPS

P83CE558EFB002

24C16

 

 

 

 
 
 
PHILIPS 22 DC242/00 PHILIPS 47C620F-N744 24C02 TDA7374
PHILIPS 22 DC245/82 PHILIPS     TDA7374
PHILIPS 22 DC247/78  no display PHILIPS 47C1220F 24C08 TDA7374B
PHILIPS 22 DC247F  no display PHILIPS   24C08  
PHILIPS 22 DC343/00 PHILIPS 47C620F-N744 345CTR-V1.0 24C02 smd TDA7374
PHILIPS 22 DC347/62  no display PHILIPS   24C08 TDA7374
PHILIPS 22 DC347/78  no display PHILIPS 47C1220F-N627 24C08 TDA7374
PHILIPS 22 DC393 PHILIPS TC9309F091 9544H TC89122P TDA7375
PHILIPS 22 DC399/75 PHILIPS   24LC64  
PHILIPS 22 DC401 PHILIPS DC401 (D17P23GF) 24C02  
PHILIPS 22 DC405/00 PHILIPS   24C02 TDA2005
PHILIPS 22 DC405/02 PHILIPS DC401 1723 612 X24C02 TDA2005
PHILIPS 22 DC405/32 PHILIPS DC401 1723 612 24C02 TDA2005
PHILIPS 22 DC405/52 PHILIPS DC401 1723 612 24C02 TDA2005
PHILIPS 22 DC406/75 PHILIPS   24C16 ?  
PHILIPS 22 DC415/02R PHILIPS DC401 1723 612 X24C02  
PHILIPS 22 DC415/52 PHILIPS DC401 1723 612 X24C02 TDA1519AQ
PHILIPS 22 DC415/82 PHILIPS DC401 1723-612 X24C02 TDA1519AQ
PHILIPS 22 DC415/94 WESER  MKIV PHILIPS DC401 1723 612 X2402P TDA1519AQ
PHILIPS 22 DC415/94F WESER PHILIPS      
PHILIPS 22 DC448/50 PHILIPS      
PHILIPS 22 DC501/00 PHILIPS D1723GF620 24C02 TDA7374
PHILIPS 22 DC501/74 PHILIPS D1723GF624 24C02  
PHILIPS 22 DC505/02 PHILIPS D1723GF644 24C02 TDA7374
PHILIPS 22 DC505/82 PHILIPS D1723GF644 24C02  
PHILIPS 22 DC506/02 PHILIPS D1723GF691 506 RC1 24C02  
PHILIPS 22 DC511/00 PHILIPS D1723GF620 or GF644 24C02 TDA7374
PHILIPS 22 DC511/02 PHILIPS      
PHILIPS 22 DC512 PHILIPS P83CE558EFB013 24C16  
PHILIPS 22 DC513/80 PHILIPS OC513 R2*0 24C08 TDA7374
PHILIPS 22 DC515/02 PHILIPS D17P23GF 920 ST24C02 TDA7374
PHILIPS 22 DC562 PHILIPS      
PHILIPS 22 DC570/? PHILIPS TMP47C800N 2373 X2402 TDA1518AQ x 2
PHILIPS 22 DC570/60E PHILIPS 47C421AF8544 X2402 TDA1518AQ x 2
PHILIPS 22 DC570/60F PHILIPS 47C421AF8544 X2402 TDA1518AQ x 2
PHILIPS 22 DC575/02 PHILIPS 47C421AF8527 X2402 TDA1518Q
PHILIPS 22 DC575/52DR PHILIPS 47C421AF8544 24C02  
PHILIPS 22 DC579/62 PHILIPS 47C421AF8527 X2402  
PHILIPS 22 DC605 PHILIPS      
PHILIPS 22 DC607 PHILIPS   24C04  
PHILIPS 22 DC652/00R PHILIPS      
PHILIPS 22 DC656/52B PHILIPS 47C421AF8807   T652/68RC1 24C02  
PHILIPS 22 DC670/60F GM1670 PHILIPS 47C421AF8537 24C02 TDA1518Q x 2
PHILIPS 22 DC671 PHILIPS      
PHILIPS 22 DC675/02 PHILIPS 47C421AF8527 M8571 TDA1518Q
PHILIPS 22 DC675/52 PHILIPS 47C421AF8544 X2402  
PHILIPS 22 DC677 PHILIPS TMP47C800N-7450 X24C02 TDA1516Q x 2
PHILIPS 22 DC679/62 PHILIPS 47C800-P437 ST24C02AB6 TDA1516BQ x 2
PHILIPS 22 DC680/00 PHILIPS 47C421AF8527 X2402 TDA1518Q x 2
PHILIPS 22 DC680/50 PHILIPS T47C421AF8544 X2402 TDA1518Q x 2
PHILIPS 22 DC681/02 PHILIPS TMP47P800N-2373 X2402 TDA1516Q x 2
PHILIPS 22 DC681/685 PHILIPS TMP47P800N-2389 X2402 TDA1516Q x 2
PHILIPS 22 DC681/50 PHILIPS TMP47P800N-2371  685RC3 X24C04 TDA1516Q x 2
PHILIPS 22 DC682/00R PHILIPS TMP47P800N 24C04  
PHILIPS 22 DC682/30 PHILIPS TMP47P800N 24C02  
PHILIPS 22 DC682/78 PHILIPS TMP47P800N 24C04 + 24C04 TDA1516Q x 2
PHILIPS 22 DC682/82R RDS PHILIPS TMP47P800N 24C04  
PHILIPS 22 DC683 PHILIPS      
PHILIPS 22 DC684/52 PHILIPS 47C421AF8544 or AF8527 24C02 TDA1518Q x 2
PHILIPS 22 DC684/78S PHILIPS 47C421AF8544 24C02  
PHILIPS 22 DC684/82 PHILIPS 47C421AF8544 24C02 TDA1518Q x 2
PHILIPS 22 DC685/02R PHILIPS TMP47C800N-2373 X24C02 TDA1516Q x 2
PHILIPS 22 DC685/62R PHILIPS TMP47C800N-2373 X24C02  
PHILIPS 22 DC695/32 PHILIPS TMP47C800N-2344 X24C02  
PHILIPS 22 DC701/00 PHILIPS P83C528FFP053 or FFP028 24C08 TDA7374
PHILIPS 22 DC701/?0 RDS PHILIPS P83CE558EFB014 X24C16  
PHILIPS 22 DC701/80 RDS PHILIPS P83C528FFP014  DC711 RC2 24C08  
PHILIPS 22 DC710/64S PHILIPS   24C08 TDA1553Q x 2
PHILIPS 22 DC710/65 PHILIPS 710PEU 1.3 24C08 TDA1553Q x 2
PHILIPS 22 DC711/00  RHEIN MK VI PHILIPS P83C528FFB036 24C08 TDA7374
PHILIPS 22 DC711/00B PHILIPS P87C528EEPN X24C16  
PHILIPS 22 DC711 RDS France PHILIPS P83C528FFB014 X24C04  
PHILIPS 22 DC720/00R PHILIPS TMP47P800N 2739 X24C16 TDA1516Q x 2
PHILIPS 22 DC720/93R PHILIPS TMP47P800N 9212 X24C16 TDA1516Q x 2
PHILIPS 22 DC722/00 PHILIPS P83CE558EFB005 24W16 TDA7374 x 2
PHILIPS 22 DC722/65 PHILIPS P83CE558EFB112 or EFB005 24W16  
PHILIPS 22 DC730/00R PHILIPS TMP47C800 24C04 + 24C08 TDA1516BQ x 2
PHILIPS 22 DC731/00 PHILIPS   24C08  
PHILIPS 22 DC740/30R PHILIPS TMP47P800 2120 + TMP47P800 12902 + P83C654FFP503  RC1 V19 24C04 + 24C08 TDA1554Q x 2
PHILIPS 22 DC741/00 PHILIPS DC741RC1  2.2 263481 AG061 24C08  
PHILIPS 22 DC751/00 PHILIPS   ER1400  
PHILIPS 22 DC752/79R PHILIPS 47C420AF8556 ER1400 TDA1515A
PHILIPS 22 DC755/02 PHILIPS 47C420AF8551 ER1400 TDA1515A
PHILIPS 22 DC760 PHILIPS      
PHILIPS 22 DC764/02R PHILIPS TMP47C800N-2341 24C04 TDA1516Q x 2
PHILIPS 22 DC764/32R PHILIPS TMP47P800-8927 X2404 TDA1516Q x 2
PHILIPS 22 DC774/02R PHILIPS TMP47C800N-2384 X24C04  
PHILIPS 22 DC777 PHILIPS TMP47C800N-2294 X2404  
PHILIPS 22 DC785/33B PHILIPS P83CE558EFBOO6 24C16  
PHILIPS 22 DC794/02R PHILIPS TMP47C800N X2404 TDA1516Q x 2
PHILIPS 22 DC801 PHILIPS      
PHILIPS 22 DC841/62 PHILIPS   24W166  
PHILIPS 22 DC842/02 PHILIPS   ER1400  
PHILIPS 22 DC842/79 PHILIPS   ER1400  
PHILIPS 22 DC846/02 PHILIPS 47C420AF8553 ER1400 TDA1515A x 2
PHILIPS 22 DC846/52 PHILIPS   ER1400  
PHILIPS 22 DC846/61 PHILIPS   ER1400  
PHILIPS 22 DC854/02 PHILIPS 47C420AF8556 ER1400 TDA1515A x 2
PHILIPS 22 DC856/02 PHILIPS   ER1400 NO
PHILIPS 22 DC862 PHILIPS   ER1400  
PHILIPS 22 DC864/52 PHILIPS   ER1400 NO
PHILIPS 22 DC924/02R Tuner+CD PHILIPS TMP47P800N 24C02 + 24C02  
PHILIPS 22 DC954/06 PHILIPS TMP47C420AF ER1400  
PHILIPS 22 DC954/82 PHILIPS TMP47C420AF8459 ER1400 TDA1515A x 2
PHILIPS 22 DC962/62B PHILIPS PCF80C51BH-3 J306 24C08 + 24C04 + 24C04
PHILIPS 22 DC964/02R Tuner+CD PHILIPS PCF80C51BH-3 J073 24C16 + 24C04  
PHILIPS 22 DC964/52R Tuner+CD PHILIPS TMP47P800N + PCF80C51BH-3PJ306 24C16 + 24C04 TDA7374
PHILIPS 22 DC972 PHILIPS      
PHILIPS 22 DC983/02R PHILIPS TMP47P800 x 2 24C04 NO
PHILIPS 22 DC984/82 PHILIPS TMP47P800N x 2 24C04 + 24C04 TDA1516BQ x 4
PHILIPS 22 RC200/65 PHILIPS 93CU44DF-1A50 RC200/35 24C32 TDA7451 + TDA7375
PHILIPS 22 RC219/00 PHILIPS 87CM21F2284 24W16  
PHILIPS 22 RC228 PHILIPS   24W08  
PHILIPS 22 RC229/80  BQRIII panel PHILIPS 87CM21F2173 24W116  
PHILIPS 22 RC245/00 PHILIPS 87CM21F2422  130MM-SD-R2.0 24W16 TDA7374
PHILIPS 22 RC248  BQR PHILIPS 47C... 24C02  
PHILIPS 22 RC249  BQR PHILIPS 87CM21F2298 24C16 TDA7374
PHILIPS 22 RC259/00  BQR PHILIPS 87CM21F2422  130MM-SD-R2.0 24C16  
PHILIPS 22 RC268 PHILIPS P83CE528EFB DC513 R20 24W08  
PHILIPS 22 RC288/80 PHILIPS P83CE528EFB DC513 R20 24W08 TDA7374B
PHILIPS 22 RC329/62  BQRIII PHILIPS TMP87PP21F 24W116  
PHILIPS 22 RC459/00 PHILIPS TMP87CM21F-2223  RC429/00-V2.0 24W166  
PHILIPS 22 RC639/00 PHILIPS RC669/00-V1.0 87CM21F-2296 24W166 TDA7375 x 2
PHILIPS 69 DC383 PHILIPS TC9309F-091 TC89122  
PHILIPS 69 DC902/00 PHILIPS P83CE528EFB007 CCR525V0.5 24C04 TDA8561Q
PHILIPS 69 DC980/02 PHILIPS      
PHILIPS 79 DC283/10B PHILIPS TC9309F-091 TC89121  
PHILIPS 79 RC168/42R PHILIPS 47C820DFNE21 24C02  
PHILIPS 79 RC169/80 PHILIPS 47C820DFNE04 24C02  
PHILIPS 79 RC189/80 PHILIPS 47C820DFNE04 24C02 HA13119
PHILIPS 79 RC602/00 PHILIPS 87CM21F-1F64 (RC600 V2.0) 24C16  
PHILIPS 79 RN129/00  only radio PHILIPS 47C820DF-3B27 24C02 HA13119
PHILIPS 90 DC401/00 PHILIPS DC401 D1723-612 24C02 TDA1519AQ
PHILIPS 90 DC405/02 PHILIPS DC401 D1723-612  or D17P23GF 24C02 TDA1519AQ
PHILIPS 90 DC411/00R PHILIPS D1723-612  DC401 9226LA009 24C02 TDA1519AQ
PHILIPS 90 DC411/80 PHILIPS D1723GF704 24C02  
PHILIPS 90 DC415/82 PHILIPS DC401 D1723-612 24C02  
PHILIPS 90 DC441/80 PHILIPS D1723GF704  DC441 24C02 TDA1519AQ
PHILIPS 90 DC517/78 PHILIPS P83CE558EFB013 24C16  
PHILIPS 90 DC522  RHEIN MK V PHILIPS      
PHILIPS 90 DC532/00 PHILIPS P83CE558EFB011   TDA7374
PHILIPS 90 DC632/80 PHILIPS P83C528FFB352720 24C16 TDA7374
PHILIPS 90 DC932/00 PHILIPS   24C16  
PHILIPS 90 DC944/00 PHILIPS P83CE558EFB053 24C16  
PHILIPS 90 RC388/00 PHILIPS P83CE559EFB022 24W16 TDA7375
PHILIPS 90 RC408/12  SQRIII panel PHILIPS 47C1620FK742 or FK741     RC438-R1.0 24W04 TDA7374 x 2
PHILIPS 90 RC438/12  BQRIII panel PHILIPS 47C1620FK742     RC438-R2.0 24W04 TDA7374 x 2
PHILIPS CAR2004 2DIN GM0204  no display PHILIPS P83CE560EFB050 24C16  
PHILIPS CAR2004(E) 2DIN no display PHILIPS   24C16 smd  
PHILIPS CART2007(E)  GM0207 no display PHILIPS SAF-C167CR-LM 28C64 plcc  
PHILIPS CAR400 MK1  GM0400  no display PHILIPS P83CE559 24C16  
PHILIPS CAR400 MK1  (DC396/75E) GM0400  no display PHILIPS P83CE559EFB010 24C16 TDA7372A
PHILIPS CAR400 MK1  (DC396/75E) GM0400  no display PHILIPS P83CE559EFB030 (RC3-DC396/075) 24C16 TDA7372A
PHILIPS CAR400 MK1  GM0400  no display PHILIPS P83CE559EFB030 (RC3-DC396/075) 24C16  
PHILIPS CAR400 MK2  (DC399/75) GM0400  no display PHILIPS P83CE560EFB054 24C16 smd TDA7375
PHILIPS CAR400 MK2  (DC399/75) GM0400  no display PHILIPS P83CE560EFB043 or 050 24C16 smd TDA7375
PHILIPS CCR2006  2DIN (DC405/75 + DC075/75)  no display PHILIPS P87C560EFB/01 24C16 + 24LC64
PHILIPS CCR2006(E)  GM0206  2DIN no display PHILIPS P83CE560EFB054 or P87C560EFB/01 24C16 + 24LC64
PHILIPS CCR2006  2DIN no display PHILIPS P87C560EFB/01 24C16 + 24LC64
PHILIPS CCR2006(E)  2DIN no display PHILIPS P87C560EFB/01 24C16 + 24LC64
PHILIPS 600  DC397/75H  no display PHILIPS P83CE559EFB003 24C16  
PHILIPS BOSE DC398/75B  no display PHILIPS SAF-C167CR-LM 28C64 plcc  
PHILIPS DC397/75E  no display PHILIPS P83CE560EFB019 24C16  
PHILIPS CCR600 MK1 GM0600  no display PHILIPS P83CE560EFB019 24C16 TDA7375 x 2
PHILIPS CCR600 MK1 GM0600  no display PHILIPS P83CE560EFB019 24C16  
PHILIPS CCR600 MK2 GM0600  no display PHILIPS P83CE560EFB 24C16 smd  
PHILIPS CCR600 MK2 GM0600  no display PHILIPS P83CE560EFB06 24C16 smd TDA7375 x 2
PHILIPS CCR600 GM0600  no display PHILIPS P83CE560EFB043 24C16  
PHILIPS CCRT700 + GSM  GM0700  no display PHILIPS SAF-C167CR-LM 28C64 plcc TDA7375
PHILIPS CCRT700 + GSM  GM0700  no display PHILIPS SAF-C167CR-LM 28C64 plcc TDA7375
PHILIPS CCRT700 + GSM  GM0700  DC389/75F  no display PHILIPS SAF-C167CR-LM 28C64 plcc TDA7375
PHILIPS CCRT700 + GSM  GM0700  DC398/75  no display PHILIPS SAF-C167CR-LM  D2-modelle /91 28C64 plcc TDA7375
PHILIPS CCRT700 + GSM  GM0700  no display PHILIPS SAF-C167CR-LM 28C64 plcc TDA7375
PHILIPS CCRT700 + GSM  GM0700  DC398/75E  no display PHILIPS SAF-C167CR-LM 28C64 plcc TDA7375
PHILIPS CCRT2008  2DIN GM0208  no display PHILIPS SAF-C167CR-LM 28C64 plcc  
PHILIPS CCRT2008  2DIN GM0208  no display PHILIPS SAF-C167CR-LM 28C64 plcc  
PHILIPS CCRT2008  2DIN  no display PHILIPS SAF-C167CR-LM 28C64 plcc  
PHILIPS CCRT2008  2DIN GM0208  no display PHILIPS SAF-C167CR-LM 28C64 plcc  
PHILIPS CCRT2008(E)  2DIN GM0208  no display PHILIPS SAF-C167CR-LM 28C64 plcc TDA7375
PHILIPS CCRT2008(E)  2DIN GM0208  no display PHILIPS SAF-C167CR-LM 28C64 plcc TDA7375
PHILIPS CCRT2008(E)  2DIN GMB208  no display PHILIPS SAF-C167CR-LM 28C64 plcc TDA7375
PHILIPS CCRT2008(E)  2DIN no display SIEMENS VDO SAF-C167CR-LM 28C64 plcc  
PHILIPS CCR800 BOZE GM0800  no display PHILIPS P83CE560EFB019 24C16  
PHILIPS CCR800 GM0800  no display PHILIPS P87CE560EFB 24C16  
PHILIPS CDC1 CD changer  GMCDC1 ALPINE 51T55595W01 X24C01  
PHILIPS CDC3 22 DC075/75 CD changer  GMCDC3 PHILIPS SAK-C164CI-8EM 24LC64 NO
PHILIPS CDC3 22 DC076/75 CD changer  GMCDC3 PHILIPS   24LC64 NO
PHILIPS CD910 PHILIPS      
PHILIPS RHEIN MKIII PHILIPS 47P800N X24C16  
PHILIPS S200  DN460/75  GM1200 PHILIPS D1723GF656 24C02  
PHILIPS SC201(C)    GM0201  without display PHILIPS D1723GF655 460TRC4 24C02 TDA1519AQ x 2
PHILIPS SC201D(C)  GM1201 PHILIPS D17P19G657 460DRC1 or D1723GF656 460TRC4 24C02 TDA1519AQ x 2
PHILIPS SC804(C) GM0804 22 DC891/75E  without display PHILIPS TMP47C800N-P481 + TMP47C800N-P474 + PCF80C51BH-3 P J306 24C04 TDA1553Q x 2
PHILIPS SC804(C) GM0804 22 DC891/75F  without display PHILIPS P83CE558EFB009 or EFB110 24C16 TDA7375
PHILIPS SC804D(C) GM0804 PHILIPS P83CE558EFB002 24C16  
PHILIPS SC804D(C) GM1804 PHILIPS P83CE558EFB009 (RC2-DC891/75) 24C16 TDA7374 x 2
PHILIPS SC804D(C) GM1804 PHILIPS TMP47P800N + TMP47P800N + PCF80C51BH-3 P J306 or J073 24C04 TDA1554Q x 2
 
 

PHILIPS Car Radio Stereo Audio Wiring Diagram Autoradio connector wire installation schematic schema esquema de conexiones stecker konektor connecteur cable shema car stereo harness wire speaker pinout connectors power how to install.

PHILIPS Car radio wiring diagrams. Car radio wire diagram stereo wiring diagram gm radio wiring diagram. Car stereo wiring diagrams car radio wiring car radio wiring colors car radio wire car radio connections wiring diagram car radio wire colours.

PHILIPS auto radio wiring diagrams install car radio. How to install car radio autoradio wiring harness stereo installation.  How to install car radio wires. Car radio install car wiring diagrams wiring harness pinout connector diagram. Car stereo radio wiring diagram. How to wire a car radio wiring diagram for car stereo. Car stereo wiring diagram radio installation head unit. Car radio wire colors car audio wiring free radio wiring diagrams. Radio diagram wiring car radio car radio wiring diagrams. Free car radio wires stock diagram. Car radio wiring colour codes car radio speakers.

 
     
   
 
   
Copyright © 2007 Tehnomagazin.com
Terms & Conditions                                        Privacy Policy                                                Impressum