| |
SUZUKI
Car Radio Stereo Audio Wiring
Diagram Autoradio connector wire installation
schematic schema esquema de conexiones stecker konektor
connecteur
cable shema car stereo harness wire speaker pinout connectors
power how to install
|
|
| |
|
|
SUZUKI SWIFT
|
 |
1-+12
VOLT IGNITION WIRE |
12-SPEAKER
RF- |
|
3-+12
VOLT BATTERY WIRE |
13-SPEAKER
LF+ |
|
4-DASH
LIGHT DIMMER WIRE |
14-SPEAKER
LF- |
|
5-Power
Antenna Turn On |
15-SPEAKER
LR+ |
|
9-SPEAKER
RR+ |
16-SPEAKER
LR- |
|
10-SPEAKER
RR- |
- |
|
11-SPEAKER
RF+ |
GND-ОБОД
РАЗЬЕМА |
SUZUKI Model:391001-65010

SUZUKI Model:39101-65D10
Clarion Co. Ltd JAPAN (PS-1626D-B)
SUZUKI CLARION PS-2654D-B 39101-65J30

Suzuki Baleno 1998-2001 stereo wiring

Suzuki Grand Vitara 2006 2007 stereo removal
installation

Suzuki Grand Vitara

Suzuki Grand Vitara 2007

Suzuki Aerio 2006 clock wiring

Suzuki Aerio 2006 stereo wiring

Suzuki Swift 2012 stereo wiring connector

Suzuki sx4 crossover 2008

Suzuki sx4 crossover 2008 stereo wiring 2

| |
|
Car radio
|
Model autoradio |
Manufacturer |
MCU |
EEPROM |
IC Amplifier |
CD changer |
Car |
|
SUZUKI |
BERN |
AUTOSOUND |
D1719 |
CXK1012 |
|
|
|
|
SUZUKI |
BERN II |
AUTOSOUND |
LC7230 SHINTOM |
93C46 |
|
|
|
|
SUZUKI |
DAVOS II |
AUTOSOUND |
LC7230
|
93C46 |
|
|
|
|
SUZUKI |
GENF AS0420 |
AUTOSOUND |
D1719G 552 |
CXK1012 |
|
|
|
|
SUZUKI |
GEO |
DELCO |
|
|
|
|
|
|
|
| |
|
SUZUKI |
BERN |
AUTOSOUND |
D1719 |
CXK1012 |
|
|
SUZUKI |
BERN II |
AUTOSOUND |
LC7230 8338 |
93C46 |
TDA1554Q |
|
SUZUKI |
DAVOS II |
AUTOSOUND |
LC7230 8325 |
93C46 |
LA4425 x 2 |
|
SUZUKI |
DY-3E44S-SL |
MITSUBISHI |
|
93LC56 smd |
|
|
SUZUKI |
GENF |
AUTOSOUND |
D1719G552 |
CXK1012 |
uPC1310V |
|
SUZUKI |
GEO |
DELCO |
|
|
|
|
SUZUKI |
PACR01 |
MATSUSHITA |
D784938AGF |
24C01 smd |
|
|
SUZUKI |
PACR06 |
MATSUSHITA |
|
|
|
|
SUZUKI |
PS-2428D |
CLARION |
M30622MAA-D86FP (052-3143-20) |
|
TDA7384 |
|
SUZUKI |
PS-2589D |
CLARION |
M30624MGA-142GP |
93C46 smd |
|
|
SUZUKI |
PS-2654D-B 6CD |
CLARION |
M30624MGA-630GP |
93C46 smd |
TA8276HQ |
|
SUZUKI |
PS-2660D-A |
CLARION |
M30622MCA-8Y9GP |
93C46 smd |
|
|
SUZUKI |
PS-2691D 6CD |
CLARION |
M30624MGA-637GP |
93LC46 smd |
|
|
SUZUKI |
CLCC02 PS-2809K 6CD |
CLARION |
M30622MGP-D73GP |
93LC46 smd |
TA8276HQ |
|
SUZUKI |
PS-2991D 6CD |
CLARION |
|
93LL46 smd |
TA827? |
|
SUZUKI |
RY-3E44S-SL-TH |
MITSUBISHI |
|
|
|
|
SUZUKI |
MSC CC BP3062 no display |
BLAUPUNKT |
M30622MCA-7H3FP |
24C08 smd or 24C16 smd |
TDA7375A x 2 |
|
SUZUKI |
MSC CD BP3063 no display |
BLAUPUNKT |
M30622MCA-7H3FP (8925905577) |
24C08 smd or 24C16 smd |
TDA7375A x 2 |
|
SUZUKI |
CD BP4061 no display |
BLAUPUNKT |
M30622MCA |
24C08 smd or 24C16 smd |
TDA7375A x 2 |
|
|
| |
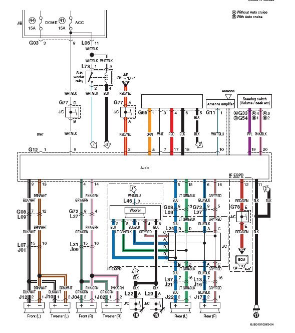
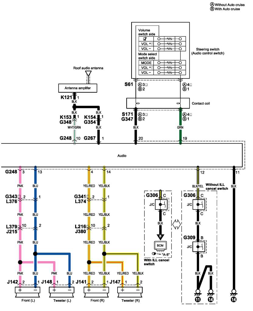
SUZUKI Car Radio Stereo Audio Wiring Diagram Autoradio connector
wire installation schematic schema esquema de conexiones stecker
konektor connecteur cable shema car stereo harness wire speaker
pinout connectors power how to install.
SUZUKI Car radio wiring diagrams.
Car
radio wire diagram stereo wiring diagram gm radio
wiring diagram. Car stereo wiring diagrams car radio wiring car radio
wiring colors car radio wire car radio connections wiring diagram
car radio wire colours.
SUZUKI auto radio wiring diagrams install car radio.
How to install car radio autoradio wiring harness stereo installation.
How to install car radio wires. Car radio
install car wiring diagrams wiring harness pinout connector diagram.
Car stereo radio
wiring diagram. How to wire a car radio wiring diagram for car stereo.
Car stereo wiring diagram radio installation head unit. Car radio
wire colors car audio wiring free radio wiring diagrams. Radio
diagram wiring car radio car radio wiring diagrams. Free car radio
wires stock diagram. Car radio wiring colour codes car
radio speakers.
|
|
| |
|
|
|