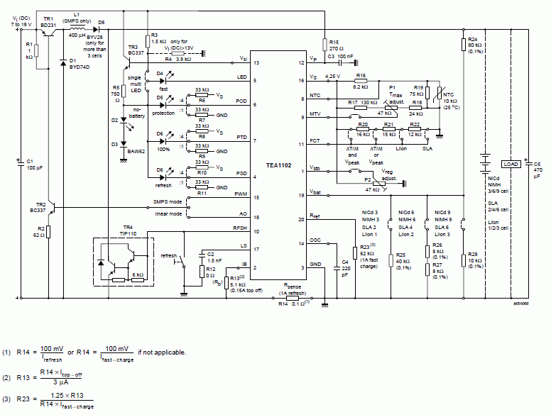
Lead acid, NiCd, LiIon fast battery
charger schematic

The TEA1102x are fast charge ICs which are able fast charge NiCd
and NiMH, SLA and Lilon batteries. All battery types are initially
fast charged with an adjustable high current. Fast charge
termination depends upon the battery type. With NiCd and
NiMH batteries the main fast charge termination will be the
DT/Dt (temperature detection) and/or peak voltage detection
and with SLA and LiIon batteries when the battery voltage
reaches 2.45 or 4.1 V respectively.
The fast charge period is followed by a top-off period
for NiCd and NiMH batteries and by a fill-up period for SLA
and LiIon batteries. During the top-off period the NiCd and
NiMH batteries are charged to maximum capacity by reduced
adjustable charge current. During the fill-up period the SLA
and LiIon batteries are charged to maximum capacity by a
constant voltage and a gradually decreasing current. The
fill-up and top-off period ends after time-out or one hour
respectively.
After the fill-up or top-off period, the TEA1102x
switches over to the standby mode. For NiCd and NiMH
batteries either the voltage regulation or trickle charge
mode can be selected. The voltage regulation mode is
selected when the battery includes a fixed load.
Trickle charge prevents a discharge of the battery over a
long period of time. For SLA and LiIon batteries the charge
current is disabled during standby. The fast charge mode is
entered again when the battery voltage reaches 1.5 V (SLA)
or 3 V (LiIon). |