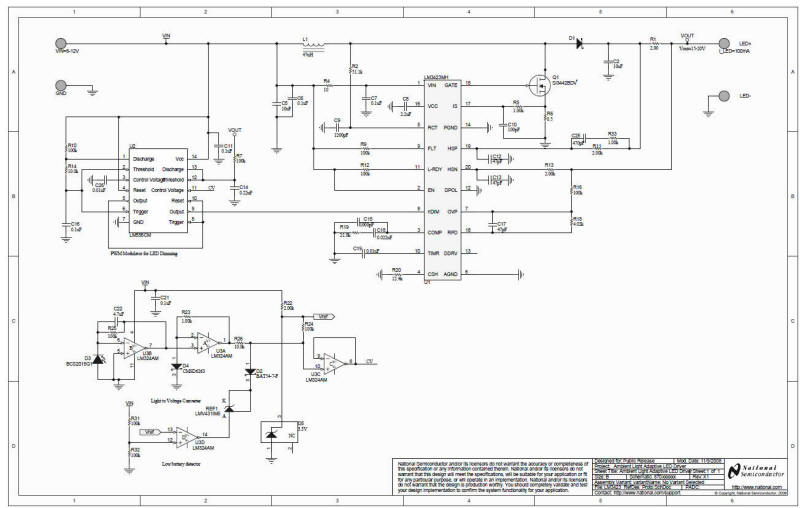
Ambient LED light circuit diagram
driver
Download:
Ambient Light Adaptive LED Driver Texas
Instruments http://www.ti.com/lit/ug/snvu113/snvu113.pdf

The ambient LED light circuit diagram adaptive LED driver
automatically adjusts display brightness for changing ambient light
conditions, providing a more viewable display with better contrast.
The design drives five series connected LEDs from an input voltage
of 4.5V to 12V. The LED current is nominally 100 mA and the output
voltage is 15 to 20V.
The heart of the design is National’s PowerWise® LM3423 LED
driver which has all the features needed to implement a boost
converter with output current regulation and PWM dimming of the
current. The LM3423 achieves output current regulation by sensing
and appropriately adjusting the voltage across a resistor connected
in series with the LED string.
Dimming or brightening the backlight of a display in response to
ambient light condition can greatly increase the life of batteries
in portable devices, and improves the visibility of the display
under different viewing conditions. In this design a photodiode
circuit is used to measure ambient light and provide a signal for
dimming the LEDs. PWM dimming is the preferred method of dimming
because it allows the light’s color temperature to remain constant
irrespective of its intensity. PWM dimming is done by keeping the
amplitude of the LED current constant, but periodically turning the
LED driver on and off, thus varying the LEDs’ average current and
light intensity. The switching is at done at a low frequency, but
one which is high enough for the human eye to sense only changes in
the light’s average intensity. Linear dimming, where the amplitude
of the current in the LEDs is modulated, is not suitable because the
LEDs’ light color temperature is sensitive to the current’s
amplitude.Features
■ 4.5-12V battery input
voltage range
■ 100 mA Constant current LED
at 15-20V
■ High switching frequency
■ High efficiency (85%)
■ PWM LED dimming up to 25kHz
■ LED brightness limited to
less than 50% of maximum at
low input voltage to prolong battery life
■ LED brightness proportional to ambient
light
|