LED Christmas Tree
circuit diagram
Download pdf:

CHRISTMAS TREE KIT

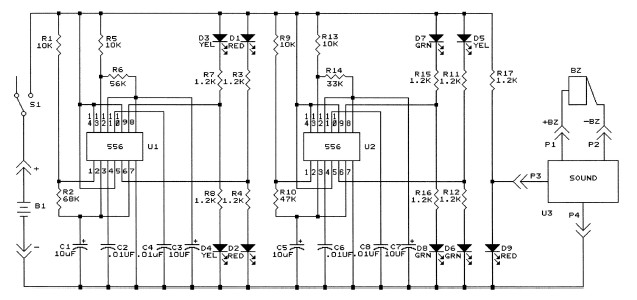
The heart of the Electronic Christmas
Tree is a 556 integrated circuit.
... determines the duty cycle or how long LED D1
will be lit in comparison with LEDD2.
Christmas LEDs
Driver ELM711
Christmas trees. No external components are ... driving an LED,
but in order to drive a string of LEDs, a higher voltage supply and
an interface circuit. (typically
a ...

TOP Christmas
Tree Circuit Template
Template based on Christmas
Tree design by Robert
Sabuda ... LEDs so they point toward each other. Make sure the wires
don't cross the center fold. A. LED.

COLORFUL FLASHING CHRISTMAS
TREE ELECTRONIC KIT
COLORFUL FLASHING CHRISTMAS
TREE ELECTRONIC KIT.
PRODUCT CODE: AK27014. DESCRIPTION: This very fun and simple circuit creates
a beautiful display. The twelve tri-color ... On the LED components,
the longer leg is “+”. 2.

Product catalogue LED Kits
The circuit board
is very well manfactured and the icon are easy to ... This wonderful christmas
tree contains 126
animated randomly blinking colored LEDs.

Simplicity of Electricity
students will learn about static electricity, how to troubleshoot a circuit,
and design parallel and series circuits.
Grade Levels: 4- .... 5 baskets for the LEDchallenge.
In each basket: ... 1 Christmas
tree light bulb with
wires stripped. • 1 AA battery.

Home Christmas
Tree and Holiday Light
Fires
NFPA estimates that Christmas
trees, both natural and artificial, were the item ..... manufacturer's
instructions for number of LED .....
Unspecified short circuitarc.

Pre-Lit Tree
50 LED G35
lights with 450 Constant ON mini lights iTwinkle light show. Item
Number: 00684 / 00684D ... product to a Ground Fault Circuit Interrupting
(GFCI) outlet. If one is not provided .... 2.29 m Pre-Lit Christmas
Tree. Nicolas Holiday Inc .

40 Key Technologies – Drivers of the
(LED) Lighting Market
The leading worldwide
authority for LED &
OLED lighting technology information. Nov/Dec .... uses the Christmas
tree approach at the die
... hVf LED circuits ...
If you can solder a little, you can make
a christmas tree without hurting any trees. It takes ... The Led
Christmas Tree's circuit consists of three separate circuits,
all ...
A nifty little LED Christmas tree made
from nothing but LEDs, resistors, and a found ... I will use http://ledcalculator.net/
to design the circuit and ensure that I have ...
I am working with a 70 light string which
consists of two parallel circuits that have 35 lights each in series.
... When one of the LED's fails the circuit breaks which affect all
the other lights (half of them) that are in the ... LED Lit Tree
Decoration
Feb 23, 2010 ... Learn how amazingly
simple it is to build a circuit for LED Christmas tree decoration.
The circuit will provide a varied flashing display rate to the ...
Nov 30, 2012 ... I'm looking for circuit
diagramS for ~50 LED strip with lights running* repeatedly from the
bottom to the top of the Christmas tree. I found simple ...
Dec 15, 2014 ... Caption: Resistors in
series with a break in the circuit. Rhett Allain. Slide: 11 ... What
about the lights you put on your Christmas tree? Are those ...
Be very careful when you connect your LED
Christmas lights to a power supply ... You must make sure that there
is a resistor in the circuit to help control the voltage. ... will
be no hazard in your home, such as the Christmas tree catching on
fire.
Hi guys. I'm about to start my first
soldering project and I have a couple of questions. It is an LED
Christmas tree. I've attached the board and the ...
Dec 16, 2013 ... For this Christmas I
thought of making a mini LED Christmas tree for him. This project
... Microcontroller circuit with five Charlieplexing lines.
|