Zanker washing machine wiring diagram service manual error code circuit schematic schema repair instruction guide user manual free pdf download

 

       
       
       
       

 

 

                                                          Search and download service manual

   
   
   

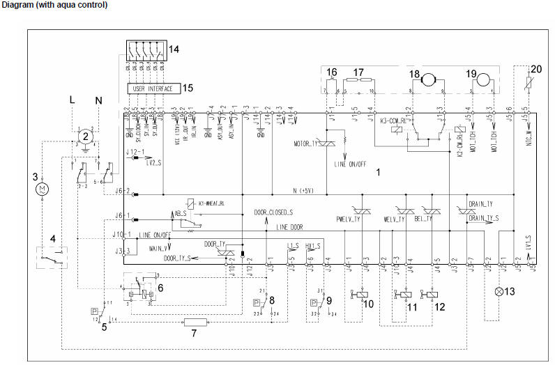
Washing machine circuit diagram EWM1000plus EWM2000evo EWM3000new platform

 

Components in the appliance Components of the PCB
  1. Electronic board
2. Suppressor
3. ON/OFF switch
4. ON/OFF pilot lamp
5. Door interlock
6. Anti-boiling pressure switch
7. Heating element
8. 1st level pressure switch
9. Anti-overflow pressure switch (not all models)
10. Pre-wash solenoid valve
11. Wash solenoid valve
12. Bleach solenoid valve
(not all models)
13. Drain pump
14. Closed door lamp
(not all models)
15. Control/display board
16. Thermal cut-out (motor)
17. Stator (motor)
18. Rotor (motor)
19. Tachometric generator (motor)
20. NTC temperature sensor
BELV_TY Bleach solenoid Triac
DOOR_TY Door interlock Triac
DRAIN_TY Drain pump Triac
K1 Heating element relay
K2 Motor relay: clockwise rotation
K3 Motor relay: anti-clockwise rotation
K4 Motor relay: half field power supply (models with higher spin at
1200 rpm)

MOTOR_TY Motor Triac
PWELW_TY Pre-wash solenoid Triac
Serial interface Asynchronous serial interface
WELV_TY Wash solenoid Triac

 

 

 

Components in the appliance Components of the PCB
1. Electronic board
2. Suppressor
3. Drain pump
4. Aqua control
5. Anti-boiling pressure switch
6. Door interlock
7. Heating element
8. 1st level pressure switch
9. Anti-overflow pressure switch (not all models)
10. Pre-wash solenoid valve
11. Wash solenoid valve
12. Bleach solenoid valve
(not all models)
13. Closed door lamp (not all models)
14. Selector
15. Control/display board
16. Thermal cut-out (motor)
17. Stator (motor)
18. Rotor (motor)
19. Tachometric generator (motor)
20. NTC temperature sensor
BELV_TY Bleach solenoid Triac
DOOR_TY Door interlock Triac
DRAIN_TY Drain pump Triac
K1 Heating element relay
K2 Motor relay: clockwise rotation
K3 Motor relay: anti-clockwise rotation
K4 Motor relay: half field power supply (models with higher spin at
1200 rpm)

MOTOR_TY Motor Triac
PWELW_TY Pre-wash solenoid Triac
Serial interface Asynchronous serial interface
WELV_TY Wash solenoid Triac

 

 

Burning on the circuit control board EWM1000plus platform

In case of burning on the main circuit board, check that the problem is not caused by another electrical component (short-circuits, poor insulation, water leakage). Refer to the figures below in order to identify the component that might have caused the burning according to the position of the burned area. The circuit board shown below is the version with the greatest number of components: other boards may not feature all these components.

Burning on the circuit control board EWM1000plus platform washing machine

 

 

Connectors on circuit control board EWM1000plus platform

Connectors on circuit control board EWM1000plus platform washing machine

J1 J2 J3 J4
Motor
J1-1 Motor (triac)
J1-2 Motor (rotor)
J1-3 Motor (rotor)
J1-4 Motor (stator - full range)
J1-5 Motor (stator - 1/2 range)
Door lamp
J2-1 Door lamp
J2-2 Door lamp
J3-1 Door safety interlock
(line-sensing)
J3-2 Drain pump (line)
J3-3 Aqua Control (line)
J3-4 Anti-overflow pressure
switch (line)
J3-5 1st level (sensing)
J3-6 Anti-overflow (sensing)
J3-7 Drain pump (triac)
Solenoid valves
J4-1 Prewash solenoid
(line)

J4-2 Bleach solenoid (line)
J4-3 Prewash solenoid (triac)
J4-4 Wash solenoid (triac)
J4-5 Bleach solenoid (triac)
J5 J6 J7 J8
J5-1 Drum positioning (DSP)
(sensing)
J5-2 Drum positioning (DSP)
(+5v)
J5-3 Tachometric generator
motor
J5-4 Tachometric generator
motor
J5-5 NTC temperature sensor
washing (sensing)
J5-6 NTC temperature sensor
washing (+5v)
Heating element:
J6-1 Relay
J6-2 Line
DAAS Interface:
J7-1 ASY_IN
J7-2 ASY_OUT
J7-3 Vcc (+5v)
J7-4 GND
Display board
J8-1 Vcc (+5v)
J8-2 GND
J8-3 SY OUT
J8-4 SY IN
J8-5 SY CLK
J10 J12 J14  
J10-1 Line ON/OFF
J10-2 Door safety interlock
(triac)
J10-3 Washing solenoid
(line)
J12-1 LV2 (sensing)
J12-2 Door safety interlock
Flowmeter
J14-1 GND
J14-2 Vcc (5v)
J14-3 Flowmeter_dgt_in
J14-4 Flowmeter_anl_in
 

 

 

Reading the alarm codes  
In order to read the last alarm code memorized in the EEPROM on the PCB:
with knob
Enter diagnostics mode
Irrespective of the type of PCB and configuration, turn the
programme selector
clockwise to the tenth position.
without knob
Press the Fabrics (1) or Temperature (2) button until LED L10
lights.
 
 

Displaying the alarm

 

 
The alarm is displayed by a repeated flashing sequence of the two LEDs (0.4
seconds lit, 0.4 seconds off, with an interval of 2.5 seconds between sequences).
The buzzer (if featured) will sound “bips” in synchronization with the flashing of
the LEDs
.
END OF CYCLE LED indicates the first digit of the alarm code (family)
START/PAUSE indicates the second digit of the alarm code (number
within the family)
These two LEDs are featured on all models (though they are
configured
differently
), and flash simultaneously.
Notes:
The first letter of the alarm code “E” (Error) is not displayed, since this letter is
common to all alarm codes.
The alarm code “families” are shown in hexadecimal; in other words:
A is represented by 10 flashes
B is represented by 11 flashes
...
F is represented by 15 flashes
Configuration errors are shown by the flashing of a series of LEDs.
 

Examples of alarm displays

 

 
Example: Alarm E43 will display the following:
On the display, if featured, E43
The sequence of four flashes of the End-of-cycle LED indicates the first number E43;
The sequence of three flashes of the Start/Pause LED indicates the second number E43;

 

Alarm Description Possible malfunction Action/status of machine Reset
E00 No alarm ---
E11 Poor water fill before wash cycle Tap closed or water pressure too low; Drain tube improperly positioned;
Water fill solenoid valve is defective; Leaks from water circuit on
pressure switch; Pressure switch defective; Wiring defective; Main board
defective.
Cycle is paused with door locked Start
E12 Difficulty in water fill during drying (maximum
time 3 min. water fill in drying during the wash
load unrolling phase)
Tap closed or water pressure too low; solenoid valve; pressure switch
water circuit; pressure switches; wiring; main board.
Cycle is paused Start
E13 Water leaks Drain tube improperly positioned; Water pressure too low;
Water fill solenoid valve is defective; Water circuit on pressure switch is
leaking/clogged; Pressure switch defective.
Cycle is paused with door locked Start
E21 Poor draining Drain tube kinked/clogged/improperly positioned; Drain filter
clogged/dirty; Drain pump defective; Pressure switch defective; Wiring
defective; Main board defective; Electrical current leak between heating
element and ground.
Cycle is paused Start
E22 Difficulty in water fill during drying or drying
condenser clogged (anti-boiling pressure
switch closed on “FULL”)
Drain hose kinked; filter clogged: drying condenser clogged; drain pump
faulty; pressure switches faulty; wiring; main circuit board defective;
current leakage between heater and ground.
Cycle is paused Start
E23 Defective triac for drain pump Drain pump defective; Wiring defective; Main board defective. Emergency drain procedure - Cycle
stops with door unlocked
OFF/reset
E24 Malfunction in sensing circuit on triac for drain
pump
Main board defective. Emergency drain procedure - Cycle
stops with door unlocked
OFF/reset
E31 Malfunction in pressure switch circuit
(frequency of signal from pressure switch out
of limits)
Pressure switch; Wiring; Main board; Cycle stops with door locked OFF/reset
E32 Electronic pressure switch improperly
calibrated (level on electronic pressure switch
differs from 0-66 mm after initial calibration
drain and when antiboiling pressure switch is
on “empty”).
Tap is closed or water pressure is too low;
Solenoid valve;
Water circuit on pressure switches; pressure switches;
Wiring; main board;
Cycle is paused Start
E33 Inconsistency between level on electronic
pressure switch and level on antiboiling
pressure switch 1-2 (fault persists for at least
60 sec.).
Pressure switch defective;
Electrical current leak between heating element and ground; Heating
element; Wiring defective;
Main board defective.
Water circuit;
Emergency drain procedure - Cycle
stops with door unlocked
OFF/reset
E34 Inconsistency between level on electronic
pressure switch and level on antiboiling
pressure switch 2 (fault persists for at least 60
sec.).
Pressure switch defective;
Electrical current leak between heating element and ground; Heating
element; Wiring defective;
Main board defective.
Water circuit;
Emergency drain procedure - Cycle
stops with door unlocked
OFF/reset
E35 Overflow Water fill solenoid valve is defective; Leaks from water circuit on
pressure switch; Pressure switch defective; Wiring defective; Main board
defective.
Cycle stops. Emergency drain
procedure. Drain pump continues to
operate (5 min. on, then 5 min. off, etc.).
OFF/reset
E36 Sensing circuit on antiboiling pressure switch
1 defective
Main board defective.
Electrical current leak between drying heating element and ground
Cycle stops with door locked OFF/reset
E37 1st level sensing circuit faulty PCB faulty. Cycle blocked, door locked. OFF/reset
E38 Pressure chamber blocked
(water level does not vary for at least 30 sec.
during drum rotation
Pressure switch hydraulic circuit;
Pressure switches;
Motor drive belt broken;
Heating phase skipped. ---
E39 “HV” sensor of anti-overflow level faulty PCB faulty. Cycle blocked, door locked. OFF/reset
E3A Heating elem. relay sensing faulty PCB faulty. Cycle blocked, door locked OFF/reset
E41 Door open Door interlock faulty; wiring faulty;
PCB faulty.
Cycle paused Start
E42 Problems of door closure Door interlock faulty; wiring faulty;
PCB faulty.
Cycle paused Start
E43 Interlock power supply triac faulty Door interlock faulty; wiring faulty;
PCB faulty.
(Safety drain cycle) Cycle blocked OFF
E44 Door interlock sensor faulty PCB faulty. (Safety drain cycle) Cycle blocked OFF
E45 Door interlock sensing circuit triac faulty PCB faulty (Safety drain cycle) Cycle blocked OFF
E51 Motor power supply triac short-circuited PCB faulty; current leakage from motor or from wiring. Cycle blocked, door locked (after 5
attempts)
OFF/reset
E52 No signal from motor tachometric generator Motor faulty; wiring faulty; PCB faulty Cycle blocked, door locked (after 5
attempts)
OFF/reset
E53 Motor triac sensing circuit faulty PCB faulty. Cycle blocked, door locked OFF/reset
E54 Motor relay contacts sticking PCB faulty; current leakage from motor or from wiring Cycle blocked, door locked (after 5
attempts)
OFF/reset
E57 Inverter is drawing too much current (>15A) Motor defective; Wiring defective on inverter for motor, inverter board
defective.
Cycle stops with door locked (after 5
attempts).
OFF/reset
E58 Motor is drawing too much current (>4.5A) Motor defective; Wiring defective on inverter for motor, inverter board
defective, abnormal motor operation (motor overloaded).
Cycle stops with door locked (after 5
attempts).
OFF/reset
E59 No signal from tachometric generator for more
than 3 seconds
Motor defective; Wiring defective on inverter for motor;
Inverter board defective.
Cycle stops with door locked (after 5
attempts).
OFF/reset
E5A Overheating on heat dissipater for inverter Inverter board defective. NTC open (on the inverter board).
Overheating caused by continuous operation or ambient conditions (let
appliance cool down)
Cycle stops with door locked (after 5
attempts).
OFF/reset
E5B Input voltage is lower than 175V Wiring defective, Inverter board defective Cycle stops with door locked (after 5
attempts).
OFF/reset
E5C Input voltage is too high Inverter board defective, the mains voltage is too high (measure the
mains voltage)
Cycle stops with door locked (after 5
attempts).
OFF/reset
E5D Data transfer error between inverter and main
board
Line interference, Wiring defective, defective main board or inverter
board
Cycle stops with door locked (after 5
attempts).
OFF/reset
E5E Communication error between inverter and
main board
Defective wiring between main board and inverter board,
Defective inverter board, defective main board
Cycle stops OFF
E5F Inverter board fails to start the motor Defective inverter board, Defective wiring, defective main board Cycle stops with door locked (after 5
attempts).
OFF/reset
E61 Insufficient heating during wash cycle Defective NTC sensor for wash cycle; Heating element defective; Wiring
defective; Main board defective.
Heating phase is skipped Start
E62 Overheating during wash cycle Defective NTC sensor for wash cycle; Heating element defective; Wiring
defective; Main board defective.
Safety drain cycle - Cycle stops with door
unlocked
OFF/reset
E66 Relay supplying power to heating element
defective
Main board defective; Electrical current leak from heating element to
ground.
Safety drain cycle - Cycle stops with door
unlocked
OFF/reset
E71 NTC sensor for wash cycle defective Defective NTC sensor; Wiring defective;
Main board defective.
Heating is skipped Start
E72 Fault in NTC sensor on drying condenser
(voltage out of range = short-circuit, open
circuit)
Drying NTC sensor (condenser) defective; wiring defective; main circuit
board defective.
Heating is skipped Start
E73 Fault in NTC sensor on drying duct (voltage
out of range = short-circuit, open circuit)
Drying NTC sensor (duct) defective; wiring defective; main circuit board
defective.
Heating is skipped Start
E74 NTC sensor for wash cycle improperly
positioned
NTC sensor improperly positioned; Defective NTC sensor; Wiring
defective; Main board defective.
Heating is skipped Start
E82 Error in selector reset position PCB faulty (Wrong configuration data). Selector, wiring --- OFF/reset
E83 Error in reading selector PCB faulty (Wrong configuration data). Selector, wiring Cycle cancelled ---
E84 Recirculation pump defective (inconsistency
between the state of the sensing circuit for the
recirculation pump and the state of the triac)
Recirculation pump;
Wiring;
Main board;
Machine drains and cycle stops (with
door unlocked)
OFF/reset
E85 Defective sensing circuit on triac for
recirculation pump (input voltage on
microprocessor remains at 0 or 5 V).
Main board Machine drains and cycle stops (with
door unlocked)
OFF/reset
E91 Communication error between main board and
display board
Wiring defective; Control/display board defective
Main board defective.
Cycle stops ---
E92 Inconsistency in communication between main
board and display board
(versions not compatible)
Wrong control/display board;
Wrong main board (not right for model).
Cycle stops ---
E93 Configuration error on appliance Main board defective (Improper programming). Cycle stops OFF/reset
E94 Configuration error on wash cycle Main board defective (Improper programming). Cycle stops OFF/reset
E95 Communication error between microprocessor
and EEPROM
Main board defective. Cycle stops OFF/reset
E97 Inconsistency between list of programmes and
configuration of cycle
Main board defective (Improper programming). Cycle stops OFF/reset
E98 Communication error between microprocessor
and clock
Display board faulty The cycle continues -----------
EB1 Frequency of power supplied to appliance out
of limits
Problems with the power mains (wrong power/interference); Main board
defective.
Cycle stops ---
EB2 Input voltage too high Problems with the power mains (wrong power/interference); Main board
defective.
Cycle stops ---
EB3 Input voltage too low Problems with the power mains (wrong power/interference); Main board
defective.
Cycle stops ---
EBE Inconsistency between safety relay and
sensing circuit
Main board defective, defective wiring Machine drains and cycle stops (with
door unlocked)
OFF/reset
EBF Sensing circuit on safety system defective
(input voltage on microprocessor remains at 0
or 5 V).
Main board defective Machine drains and cycle stops (with
door unlocked)
OFF/reset
EC1 Solenoid valve inoperative but flow meter
operating
Main board defective, Solenoid valve defective Cycle stops with door locked (after 5
attempts).
OFF/reset
EC2 Signal from turbidity sensor out of limits Turbidity sensor defective, Main board defective, Wiring defective ----------------------- Start/reset
EC3 Signal from weight sensor out of limits Weight sensor defective, Main board defective, Wiring defective --- Start/reset
EF1 Drain filter clogged
(drain cycle too long)
Drain tube clogged/kinked/placed too high;
Drain filter dirty/clogged.
Warning is displayed at end of cycle
(relative LED is lit)
---
EF2 Too much detergent
(too much foam during drain cycles)
Too much detergent used; Drain tube clogged/kinked;
Drain filter dirty/clogged.
Warning is displayed at end of cycle
(relative LED is lit)
---
EF3 “Water Control” system tripped Water leaks onto base frame; water control system defective. Machine drains and cycle stops OFF/reset
EF4 Water fill pressure too low, no signal from flow
meter and solenoid valve is open
Tap closed, water pressure too low --------------------------- Reset

 

 

PNC_ELC

Platform

Pub

Model

BrandName

ProdDate

91451743100

EWM1000plus

599379645

888_079_05

Zanker

20060526

91451743000

EWM1000plus

599380867

888_079_09

Zanker

20060623

91452112800

EWM1000plus

599381600

888_400_09

Zanker

20060721

91452112900

EWM1000plus

599381601

888_404_09

Zanker

20060721

91452113000

EWM1000plus

599381605

888_412_09

Zanker

20060721

91451730300

EWM1000plus

599368598

EF3200

Zanker

20050204

91451746200

EWM1000plus

599383874

EF3200

Zanker

20060519

91451730400

EWM1000plus

599368600

EF3400

Zanker

20050204

91451732700

EWM1000plus

599371361

EF3600

Zanker

20050617

91451732701

EWM1000plus

599374241

EF3600

Zanker

20051216

91451728400

EWM1000plus

599367963

EF4240

Zanker

20041231

91451733700

EWM1000plus

599371446

EF4242

Zanker

20050624

91451735601

EWM1000plus

599375029

EF4244

Zanker

20060106

91451743400

EWM1000plus

599375431

EF4244

Zanker

20060127

91451735600

EWM1000plus

599374018

EF4244 (PRIVILEG)

Zanker

20051125

91452112801

EWM1000plus

599386877

EF4246

Zanker

20070316

91451728500

EWM1000plus

599368274

EF4440

Zanker

20050121

91451733800

EWM1000plus

599371447

EF4442

Zanker

20050624

91451735701

EWM1000plus

599374822

EF4444

Zanker

20060113

91451743500

EWM1000plus

599383769

EF4444

Zanker

20060203

91451735700

EWM1000plus

599374019

EF4444 (PRIVILEG)

Zanker

20051125

91452112901

EWM1000plus

599386878

EF4446

Zanker

20070316

91451733400

EWM1000plus

599370835

EF4642

Zanker

20050520

91451735801

EWM1000plus

599375030

EF4644

Zanker

20060106

91451743600

EWM1000plus

599383771

EF4644

Zanker

20060203

91451735800

EWM1000plus

599374025

EF4644 (PRIVILEG)

Zanker

20051125

91452113001

EWM1000plus

599388656

EF4646

Zanker

20070511

91451728600

EWM1000plus

599367975

EF6440

Zanker

20041231

91451728800

EWM1000plus

599368276

EF6440S

Zanker

20050121

91451728900

EWM1000plus

599367977

EF6640

Zanker

20041231

91451730600

EWM1000plus

599369264

EFX6250FML

Zanker

20050311

91451730601

EWM1000plus

599374995

EFX6250FML

Zanker

20060106

91451730700

EWM1000plus

599369496

EFX6250SFM

Zanker

20050318

91451730800

EWM1000plus

599369265

EFX6450FML

Zanker

20050311

91451743200

EWM1000plus

599704837

EFX6450FML

Zanker

20071214

91451730900

EWM1000plus

599369267

EFX6650FML

Zanker

20050311

91451730901

EWM1000plus

599384100

EFX6650FML

Zanker

20051223

91451743300

EWM1000plus

599383871

EFX6650FML

Zanker

20060505

91452211400

EWM1000plus

599381103

EFXX4242

Zanker

20060630

91452010500

EWM1000plus

599385853

KWG5120

Zanker

20070209

91452010600

EWM1000plus

599385852

KWG5140

Zanker

20070209

91451721700

EWM1000plus

599362183

PF4350

Zanker

20031219

91451721800

EWM1000plus

599362184

PF4350S

Zanker

20031223

91451725400

EWM1000plus

599364540

PF4450

Zanker

20040528

91451725500

EWM1000plus

599364541

PF4450S

Zanker

20040528

91451725900

EWM1000plus

599365957

SF5600

Zanker

20040827

91451720000

EWM1000plus

599360431

SF6250

Zanker

20030905

91451725600

EWM1000plus

599365947

SF6260

Zanker

20040827

91451720100

EWM1000plus

599360432

SF6450

Zanker

20030905

91451725700

EWM1000plus

599365955

SF6460

Zanker

20040827

91451720200

EWM1000plus

599360434

SF6650

Zanker

20030905

91451725800

EWM1000plus

599365956

SF6660

Zanker

20040827

91451637000

EWM2000evo

599379561

444_607_09

Zanker

20060505

91451635900

EWM2000evo

599374202

EF7281

Zanker

20051209

91451637100

EWM2000evo

599383217

EF7281

Zanker

20061006

91451632300

EWM2000evo

599367968

EF7480

Zanker

20041231

91451636000

EWM2000evo

599374203

EF7481

Zanker

20051209

91451637200

EWM2000evo

599383218

EF7481

Zanker

20061006

91451632400

EWM2000evo

599367971

EF7680

Zanker

20041231

91451638400

EWM2000evo

599383219

EF7681

Zanker

20061006

91451638401

EWM2000evo

599702391

EF7681

Zanker

20071005

91451634500

EWM2000evo

599372263

IF9250

Zanker

20050805

91451636800

EWM2000evo

599377669

IF9250

Zanker

20060414

91451636801

EWM2000evo

599382082

IF9250

Zanker

20060811

91451636802

EWM2000evo

599385794

IF9250

Zanker

20070209

91451632200

EWM2000evo

599365724

IF9450

Zanker

20040730

91451636900

EWM2000evo

599383555

IF9450

Zanker

20061013

91451636901

EWM2000evo

599702387

IF9450

Zanker

20071005

91451634100

EWM2000evo

599370821

IF9650

Zanker

20050520

91451637001

EWM2000evo

599379566

IF9650

Zanker

20060526

91451637002

EWM2000evo

599388557

IF9650

Zanker

20070511

 

 

 

 

     
    Zanker washing machine schematic diagram error codes fault service manual circuit diagram wiring schema repair instruction guide user manual free pdf download. Zanker Service Handbuch Schaltungen Reparaturanleitung Bedienungsanleitungen kostenlos pdf download. Zanker Schéma service manual schéma zapojení schémat oprava návod k obsluze návod k použití free pdf ke stažení. Zanker Schéma de principe de service manuel Schéma câblage schéma réparation instruction notice manuel téléchargement gratuit pdf. Zanker Diagrama esquemático serviço manual do circuito diagrama de fiação esquema reparação instrução guia manual do usuário livre PDF Download. Zanker Schema di servizio manuale circuito schema elettrico schema di riparazione di istruzioni guida manuale pdf gratuito scaricare. Zanker schemat instrukcja obsługi Schemat okablowania Schemat naprawa instrukcja instrukcja obsługi free pdf pobierz. Zanker şeması servis manuel devre şeması kablolama şeması onarım talimat kılavuzu kullanım kılavuzu ücretsiz pdf indir. Zanker Schema service manual schema bedrading schema reparatie gebruiksaanwijzing handleiding gratis pdf te downloaden. Zanker schematică diagrame de service manualul de circuit diagrama de conexiuni Schema de reparatii de instructiuni Manual de utilizare pe gratis download pdf.  
     
 

1. PURPOSE OF THIS SERVICE MANUAL

The purpose of this Service Manual is to provide Service Engineers, who already have the basic knowledge necessary to repair household washing machines, with information of a general nature regarding the HEC range of washing machines.

More detailed information regarding specific models may be found in the Service Notes and Service

Manuals (issued separately) for each specific model or functionality.

This information covers:

  • Circuit diagrams

  • Exploded views of spare parts

  • Spare parts lists

  • Functions and diagnostics

2. IMPORTANT NOTES

  • Repairs to electrical appliances must be effected only by qualified personnel.

  • Before accessing the components inside the appliance, always remove the plug from the power socket.

  • Where possible, ohmic measurements should be effected rather than direct measurement of voltage and current.

  • Certain metal components inside the appliance may have sharp edges. Care should be taken to avoid cuts or abrasions.

  • Before laying the appliance on the floor, always drain any water by means of the system placed beside the drain filter.

  • Never lay the appliance on its right side (i.e. electronic control unit side); this would cause the water in the detergent dispenser to fall onto electrical components, thus damaging them.

  • After repairing the appliance, always perform the final tests.
3. CAUTION:
  • Before servicing receivers covered by this service manual and its supplements and addenda, read and follow the SAFETY PRECAUTIONS of this publication. Remember: Safety First.
  • General Guidance An isolation Transformer should always be used during the servicing of a receiver whose chassis is not isolated from the AC power line.
  • Use a transformer of adequate power rating as this protects the technician from accidents resulting in personal injury from electrical shocks. It will also protect the receiver and it's components from being damaged by accidental shorts of the circuitry that may be inadvertently introduced during the service operation.

 

 

 

 

 
Copyright © 2007 Tehnomagazin.com
Terms & Conditions                                        Privacy Policy                                                Impressum