Build LED circuit diagram
Download Build LED circuit diagram:

30 LED Projects
This
eBook shows you how to connect a LED to
a circuit plus
a ... diagram. The fourth diagram is
the circuit for
layout #3 showing the ..... It teaches you how to build and
design circuits that
are fun to see working, yet practical.

LED Butterfly
(Non‡Soldering) ?
Make three
or four model LED butteries
(which can be reused if you do the ....diagram should make clear
to kids that the circuit is
parallel, as there are two ...


LED Display
project instructions
build an LED display
to light up their initials, Figure 1. Figure 1. ... First we will
discuss how to read an electrical schematic,
how to interpret an engineering data ...

EBC980B 0-10V or
Wireless Dimmable LED Driver
with iW3630
of
the 0-10V dimmable LED driver,
a detailed circuit
diagram, an entire bill of materials required to build the LED driver,
a drawing of the power transformer, and ...

Photoresistor,
Transistor, and LED's
Build a
circuit that includes an LED,
photoresistor, and transistor and interface the circuit ... Look at
the schematic diagram to
see which kind of.

How to Make an LED-Illuminated
Integrating Sphere for the ...
LED Prep.
Above is the circuit
diagram for the sphere.
The LED has
a nonlinear ... ('Struth, you should know why this is so before
attempting to build this
project!)

LED Circuits and
Headlights for the SeaPerch ROV – A Primer
For our purposes in making an LED
circuit, it is important to remember that ... This can be
illustrated by a current vs. voltage diagram for
anLED.

MSP430 Microcontroller Based Solar LED Lantern-Boost
Topology
circuit and
software required for building a low-cost electronic LED Lamp
based on MSP430 value line microcontroller .... MSP430G2231
BoostSchematic .

1W / 3W POWER LED DRIVER
These hints will help you to make this
project successful. ... Values on thecircuit diagram are
subject to changes, the values in this assembly guide are correct*.

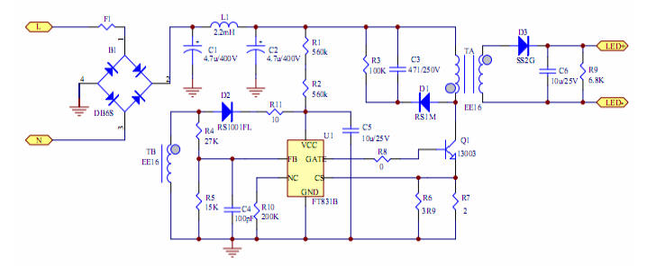
5W LED Lump
Module Design with FT831B
5W LED Lump
Module Design .... 3) Transformer Build
Diagram. .... This document contains sessions on power supply
specification, schematic/PCB ...


Notes for the LED Light
Chaser Laboratory
Today,
you have the opportunity to take part in a project to build an
electronic light chaser. The heart of ... referring to the circuit
diagram on page 5. Before
you ...

LED Cube
Manual
To build an
accurate 3D LED Cube
Matrix with evenly spaced and aligned LEDs we recommend ... The schematic for
the 3D LED cube
is shown in figure 5.
|